Запчасти Bobcat 341 HEATER (S/N 233312221 & Above and 233212365 & Above) ACCESSORIES & OPTIONS

Схема запчастей Bobcat 341 - HEATER (S/N 233312221 & Above and 233212365 & Above) ACCESSORIES & OPTIONS
FIT
1:1
100%

Артикул

Название

Примечание

Количество

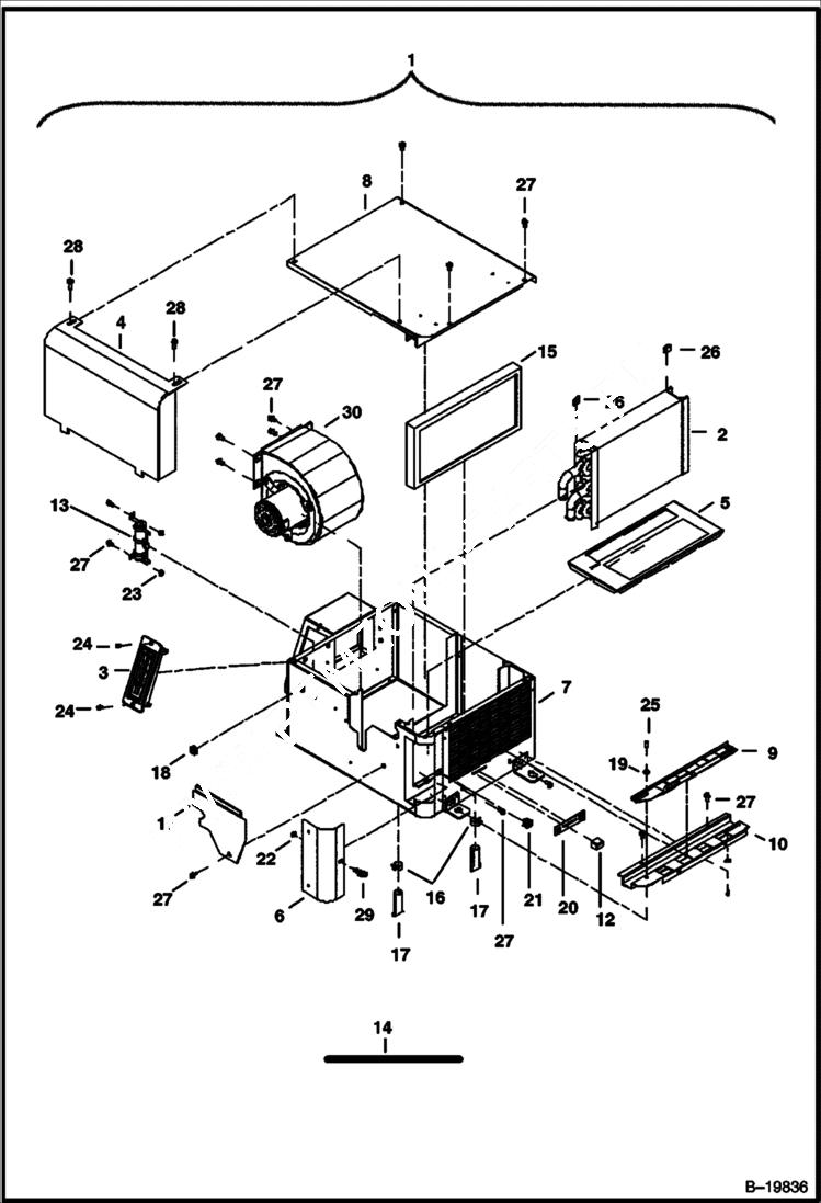
1

6682035

HEATER

2

6677543

COIL heater

3

6676713

LOUVER

4

6677540

COVER front cover

5

6678033

SUPPORT support

6

6678032

PLATE access

7

6684554

CASING

8

6684553

COVER

9

6684552

DOOR sliding

10

6684551

BRACKET

11

6684550

COVER side

12

6684549

KNOB blade

13

6677552

RESISTOR

14

6684548

HARNESS wiring

15

6681568

FILTER

16

6675510

CLAMP drain hose

17

6675511

DRAIN VALVE

18

6675513

GROMMET

19

6684547

BUSHING nylon

20

6684546

OVERLAY

21

6677555

RECEPTACLE

22

6677557

RETAINER

23

4DM5

NUT

24

58G606

SCREW

25

POP RIVET NLA

26

6676539

CLIP coil

27

26GM5010

SCREW

28

6684545

SCREW

29

6678036

SCREW

30

6684555

BLOWER

30

7013664

MOTOR, FAN

Выбрано товаров: 31