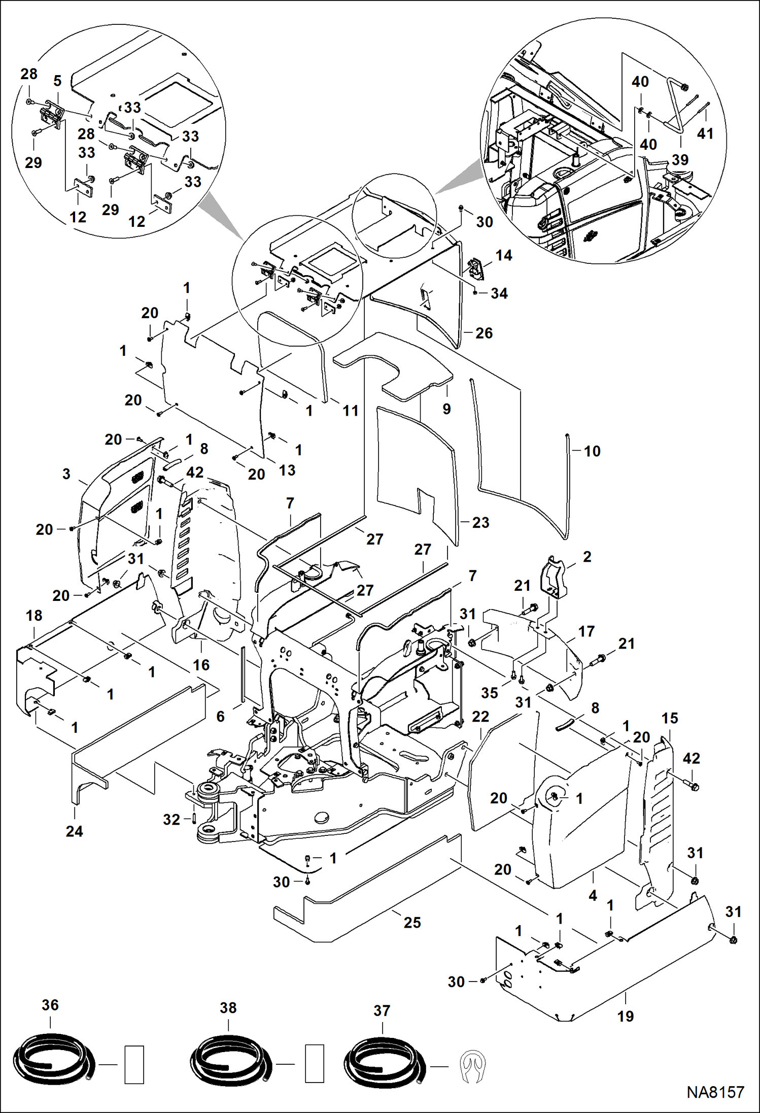
Запчасти Bobcat 418 MAIN FRAME (Covers & Insulation) MAIN FRAME

Схема запчастей Bobcat 418 - MAIN FRAME (Covers & Insulation) MAIN FRAME
FIT
1:1
100%

Артикул

Название

Примечание

Количество

1

6676026

NUT

2

7134664

STRIKE LOCK

3

7134683

COVER RIGHT W/A

3

7203036

COVER, SIDE

4

7134686

COVER LEFT

5

7134689

HINGE

6

SEAL NLA - 200 mm (7.87'') long - Order Ref. 36

7

SEAL NLA - 398 mm (15.67'') long - Order Ref. 36 Was 7135398 - D

8

SEAL NLA - 50 mm (1.97'') long - Order Ref. 37 Was 7135399 - D

9

7161914

INSULATION COVER

10

SEAL NLA - 1400 mm (55.12'') long - Order Ref. 37 Was 7136415 - D

11

7136418

INSULATION

12

7145609

PLATE HINGE

13

7145719

SHROUD FRONT

14

7147835

LOCK

15

7151906

COUNTERWEIGHT L MACH

16

7151908

COUNTERWEIGHT R MACH

17

7151910

COUNTERWEIGHT C MACH

18

7152225

SHROUD RH

19

7152226

SHROUD LH

20

7153055

SCREW LOW HEAD

21

29CM1250

BOLT Was 7159162 - A

22

7161118

INSULATION LH

23

7161119

INSULATION BONET

24

7161120

INSULATION RH

25

7161390

INSULATION LH

26

7135406

COVER W/A

26

7164183

COVER W/A

27

SEAL NLA - 440 mm (17.3'') long - Order Ref. 38

28

23GM616

SCREW CSNK SOCKET8.8

29

23GM620

SCREW

30

29CM616

BOLT

31

43DM12

NUT

32

4CM635

BOLT

33

51DM6

NUT

34

53DM6

NUT

35

59CM820

SCREW HX FLNG W/T 8.8

36

7135394

SEAL BULK bulk - sold per foot

37

7135407

SEAL BULK /METER bulk - sold per foot Was 7134507 - B,D

38

6648416

SEAL BULK /FT bulk - sold per foot

39

7148932

BAR HOOD

39

7164187

BAR HOOD W/A

40

15EM80

WASHER

41

1F212

PIN

42

29CM1230

BOLT Was 7159162 - A

Выбрано товаров: 45