Запчасти Bobcat 425 ENGINE & LOWER GASKET KIT POWER UNIT

Схема запчастей Bobcat 425 - ENGINE & LOWER GASKET KIT POWER UNIT
FIT
1:1
100%

Артикул

Название

Примечание

Количество

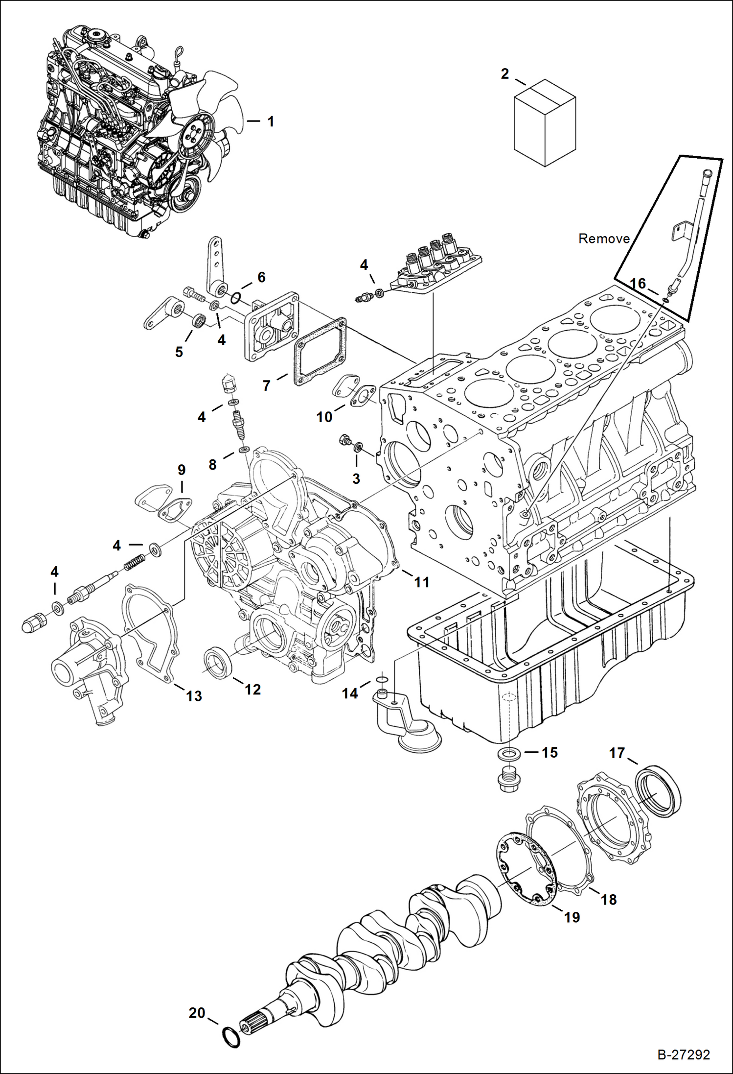
1

ENGINE, V1505-E2B-BC-2 NLA - for new engine order 6692567 engine and for US machines Also Order 6698505 low sulfur fuel cap - Was 6687833 - A

1

6687833REM

ENGINE, KUBOTA V1505

2

6698637

KIT, GASKET ENG LOWER

3

3974095

MET-GASK See Illustration CRANKCASE/ B26326

4

3974972

GASKET See Illustration IDLE APPARATUS & STOP SOLENOID/ B26337 See Illustration NOZZLE HOLDER & GLOW PLUG/ B26341 See Illustration SPEED CONTROL PLATE/ B26340

5

6598703

SEAL See Illustration SPEED CONTROL PLATE/ B26340 - speed control shaft

6

6680277

O-RING See Illustration SPEED CONTROL PLATE/ B26340 - speed control shaft

7

6657578

GASKET See Illustration SPEED CONTROL PLATE/ B26340 - speed control plate

8

6687687

GASKET See Illustration IDLE APPARATUS & STOP SOLENOID/ B26337 - idle assy

9

7010133

GASKET, PUMP FUEL See Illustration INJECTION PUMP/ B26339 - Was 6670782

10

6657574

GASKET See Illustration GOVERNOR/ B26343 - governor plate

11

6657479

GASKET See Illustration GEAR CASE & OIL FILTER/ B26329 - gear case

12

6657603

SEAL See Illustration GEAR CASE & OIL FILTER/ B26329 - front oil

13

6657610

GASKET See Illustration WATER PUMP/ B26349 - water pump

14

6680284

O-RING See Illustration OIL PAN/ B26327 - oil screen

15

6691295

GASKET See Illustration OIL PAN/ B26327 - drain plug

16

6673314

O-RING See Illustration OIL PAN/ B26327 - dipstick guide

17

6657481

SEAL See Illustration PISTON & CRANKSHAFT/ B26335 - rear crankshaft

18

6698617

GASKET, COVER CASE See Illustration PISTON & CRANKSHAFT/ B26335

19

6657480

GASKET See Illustration PISTON & CRANKSHAFT/ B26335 - bearing case

20

6680268

O-RING See Illustration PISTON & CRANKSHAFT/ B26335 - crankshaft

Выбрано товаров: 21