Запчасти Bobcat 425 GEAR CASE & OIL FILTER POWER UNIT

Схема запчастей Bobcat 425 - GEAR CASE & OIL FILTER POWER UNIT
FIT
1:1
100%

Артикул

Название

Примечание

Количество

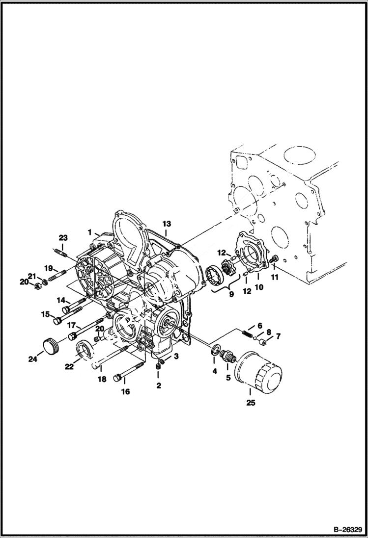
1

6691298

CASE W/Ref. 2-12

2

6672360

PLUG

3

6652574

PLUG

4

15EM180

WASHER

5

6652597

ADAPTER

6

6657554

SPRING

7

6657553

SEAT

8

6657426

BALL

9

6657549

ROTOR ASSY

10

6686173

COVER

11

6680262

BOLT

12

6686174

PIN

13

6657479

GASKET

14

6657412

BOLT

15

6670770

BOLT

16

6657413

BOLT

17

6652594

BOLT

18

6657589

BOLT

19

6680263

STUD

20

1DM6

NUT

21

6667419

WASHER

23

6680264

STUD

24

6681662

COVER

25

6657635

FILTER, OIL ENG

Выбрано товаров: 0