Запчасти Bobcat 425 X-CHANGE (Hydraulic) (Kit) ACCESSORIES & OPTIONS

Схема запчастей Bobcat 425 - X-CHANGE (Hydraulic) (Kit) ACCESSORIES & OPTIONS
FIT
1:1
100%

Артикул

Название

Примечание

Количество

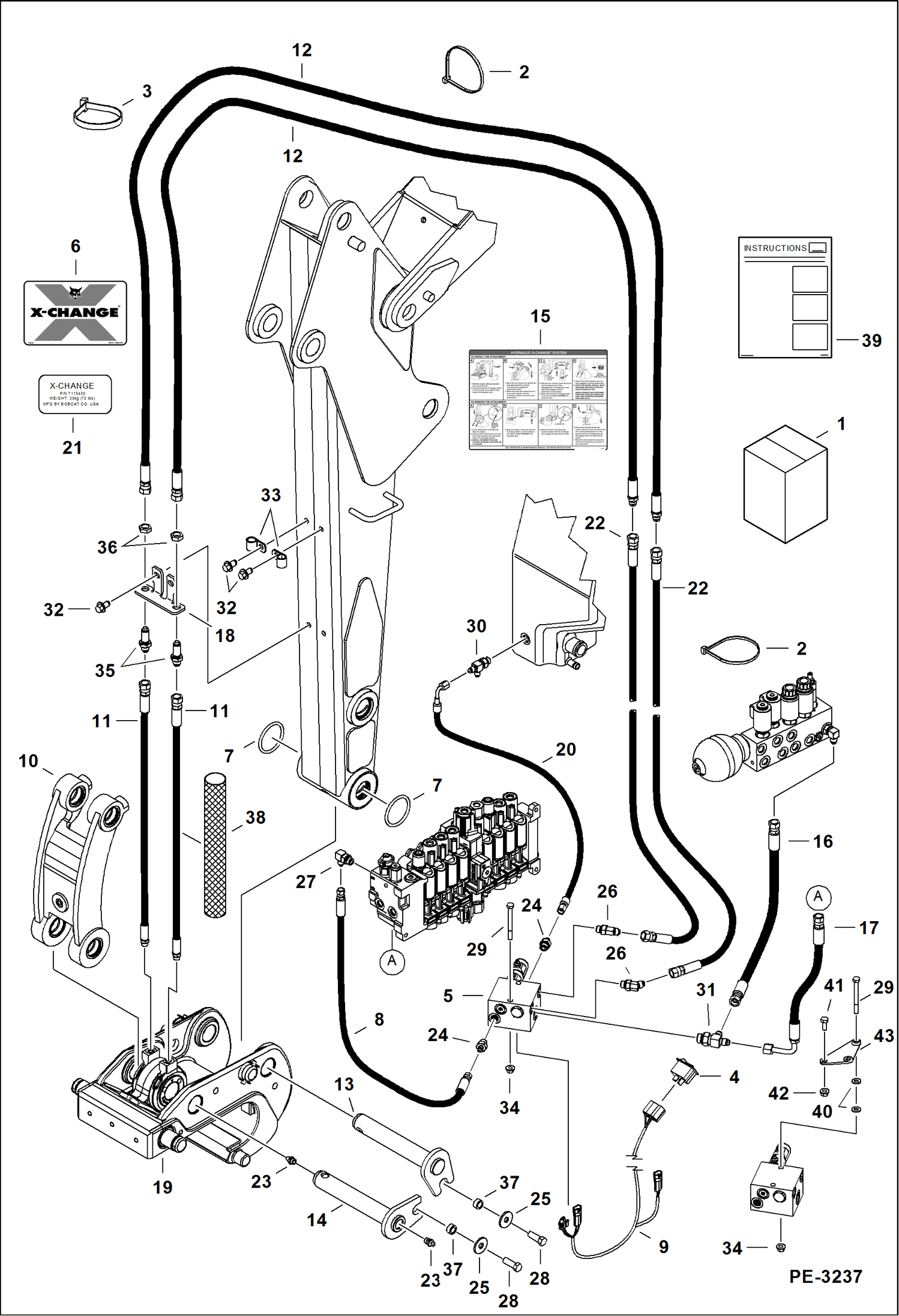
1

KIT HYD X-CHG NLA - Order kit 7139706 for standard arm or kit 7139707 for long arm and Also Order Ref. 39 7140315 mount, (2) of Ref. 40 15EM80 washer, Ref. 41 1CM820 screw, and Ref. 42 43DM8 nut

1

7139706

KIT HYD X-CHG for standard arm - W/Ref. 2-39

1

7139707

KIT HYD X-CHG for long arm - W/Ref. 2-39

2

6624289

STRAP, TIE

3

6678669

STRAP

4

6688667

SWITCH

5

6688821

MANIFOLD See Illustration X-CHANGE/ MS1461

6

6803760

DECAL X-Change

7

6811260

O-RING

8

6812179

HOSE

9

7113694

HARNESS

10

LINK ASSY See Illustration X-CHANGE/ PE3359

11

7125345

HOSE

12

7125346

HOSE Use with standard arm

12

7140867

HOSE Use with long arm

13

7130245

PIN

14

7134283

PIN

15

7134587

DECAL, X-CHANGE using X-Change

16

7138478

HOSE

17

7138479

HOSE

18

7138752

BRACKET

19

7139701

X-CHG SWIVEL See Illustration X-CHANGE/ PE3359

20

7140868

HOSE

21

7142034

DECAL X-Change

22

7142091

HOSE

23

10H25

FITTING, GREASE 5

24

15KB0406

FTG HYD S CONNECTOR

24

79K6

O RING 10

25

17EM120

WASHER

26

18KB0606

FITTING, HYD ELBOW

26

79K6

O RING 10

27

7124150

ELBOW

27

79K6

O RING 10

28

1CM1235

BOLT

29

1CM880

BOLT

30

21KB0406

FTG HYD STRAIGHT TEE

30

79K6

O RING 10

31

21KB0608

FTG Hyd Straight Tee

31

79K8

O RING 10

32

26GM10020

BOLT

33

30H35

CLAMP 10

34

43DM8

NUT

35

45K5

FITTING

36

86F5

NUT

37

6503451

SPACER

38

7161761

GUARD, FABRIC

39

6986541

INSTRUCTIONS

40

15EM80

WASHER not in kit

41

1CM820

BOLT not in kit

42

43DM8

NUT not in kit

43

7140315

MOUNT not in kit

Выбрано товаров: 0