Качественные детали и логистика
Оригинальные и аналоговые запчасти с доставкой по России, Казахстану и Беларуси
©2022 PartSell ООО "Система" ИНН 2463123282 ОГРН 1212400004838
Центральный офис: г. Красноярск, Академика Киренского, д.87, пом.4
Телефон: 8 (800) 777-65-74 Email: zakaz@partsell.ru
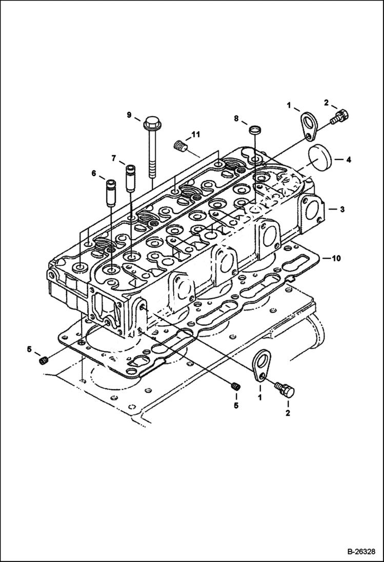
CYLINDER HEAD
№
Артикул
Название
Примечание
Количество
1
3974882
HOOK
2
6667420
BOLT
3
6692539
COMP. CYLINDER HEAD assy - W/Ref 4-8 - Was 6691296 - A
4
3974033
CAP
5
6598116
PLUG
6
6680859
GUIDE inlet valve - Was 6685957 - A
7
6685958
GUIDE exhaust valve
8
3974056
9
6657478
10
6691297
GASKET cylinder head
11
6680667
Выбрано товаров: 0