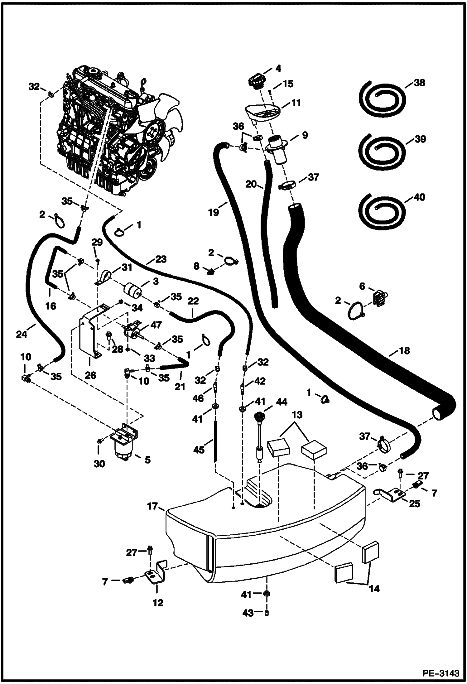
Запчасти Bobcat 428 FUEL SYSTEM (S/N (425) A1HW11685 & Below, (428) A52011286 & Below) POWER UNIT

Схема запчастей Bobcat 428 - FUEL SYSTEM (S/N (425) A1HW11685 & Below, (428) A52011286 & Below) POWER UNIT
FIT
1:1
100%

Артикул

Название

Примечание

Количество

1

6610510

TIE

2

6624289

STRAP, TIE

3

6633977

FILTER

4

6661114

CAP. DIESEL

4

7113340

CAP. DIESEL Europe Only

5

6667353

FILTER ASSY

5

6667352

FILTER, FUEL W/SEPARATOR 12

5

6658180

PLUG, BLEED

6

6675281

MOUNT

7

6675722

NUT

8

7015668

MOUNT, STRAP TIE push in - Use W/tie strap - Was 6678666 - B

9

6701449

FILLER TUBE

10

6715183

ELBOW

11

6809964

GUARD

12

6812104

BRACKET

13

6814957

BLOCK

14

7101352

BLOCK

15

7106279

BOLT

16

7107358

HOSE

17

6811668

TANK

18

7124641

HOSE

19

HOSE NLA - 63.5'' (1613 mm) long - Order Ref. 38

20

HOSE NLA - 33'' (838 mm) long - Order Ref. 38

21

HOSE NLA - 8'' (203 mm) long - Order Ref. 39

22

HOSE NLA - 58'' (1473 mm) long - Order Ref. 39

23

HOSE NLA - 61'' (1549 mm) long - Order Ref. 40

24

HOSE NLA - 47'' (1194 mm) long - Order Ref. 39

25

7125491

BRACKET

26

7131355

BRACKET

27

29CM1030

BOLT

28

29CM1225

BOLT

29

29CM620

SCREW

30

29CM820

SCREW

31

30HJ624

CLAMP

32

42HS04

CLAMP, HOSE

33

51DM6

NUT

34

51DM8

NUT

35

5HM14

CLAMP

36

5HM23

CLAMP

37

5HM58

CLAMP

38

6578172

HOSE bulk - sold per foot

39

6577822

HOSE bulk - sold per foot

40

6578169

HOSE bulk - sold per foot - 0.19'' ID

41

6553411

BUSHING 0.38'' ID

42

6598908

ELBOW Was 7101291 - D

43

6599645

PLUG, STEEL

44

7179838

SENSOR FUEL Was 6680437 - A

45

6683892

TUBE

46

6666302

FITTING, ELBOW Was 7126672 - B

47

6684852

PUMP

Выбрано товаров: 50