Запчасти Bobcat 428 ENGINE & UPPER GASKET KIT POWER UNIT

Схема запчастей Bobcat 428 - ENGINE & UPPER GASKET KIT POWER UNIT
FIT
1:1
100%

Артикул

Название

Примечание

Количество

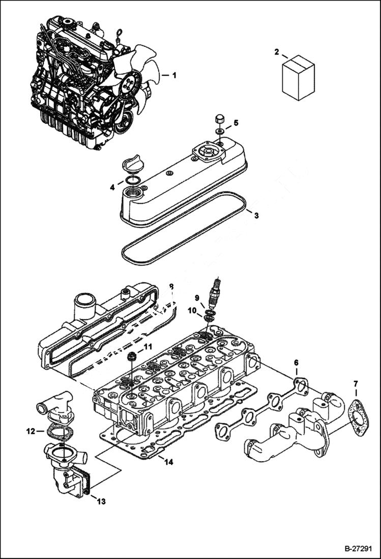
1

6692567

ENGINE, V1505-E3B-BC-2

2

6698619

KIT, GASKET ENG UPPER Ref. 3-14

3

6657514

GASKET See Illustration ROCKER ARM COVER/ B26330 - valve cover

4

6683009

O-RING See Illustration ROCKER ARM COVER/ B26330 - oil filler cap

5

6599116

GASKET See Illustration ROCKER ARM COVER/ B26330 - valve cover nut

6

6657494

GASKET See Illustration MANIFOLDS/ B26352 - exhaust manifold

7

3974507

GASKET See Illustration ENGINE & ATTACHING PARTS/ PE3136 - muffler

8

6657493

GASKET See Illustration MANIFOLDS/ B26352 - intake manifold

9

6655218

GASKET See Illustration NOZZLE HOLDER & GLOW PLUG/ B26341 - injector nozzle

10

6655872

HEAT SEAL See Illustration NOZZLE HOLDER & GLOW PLUG/ B26341 - injector nozzle

11

6672436

SEAL See Illustration VALVE & ROCKER ARM/ B26351 - valve stem

12

6684863

GASKET See Illustration WATER FLANGE & THERMOSTAT/ B26348 - thermostat

13

6657583

GASKET See Illustration WATER FLANGE & THERMOSTAT/ B26348 - thermostat housing

14

6691297

GASKET See Illustration CYLINDER HEAD/ B26328 - cylinder head

Выбрано товаров: 14