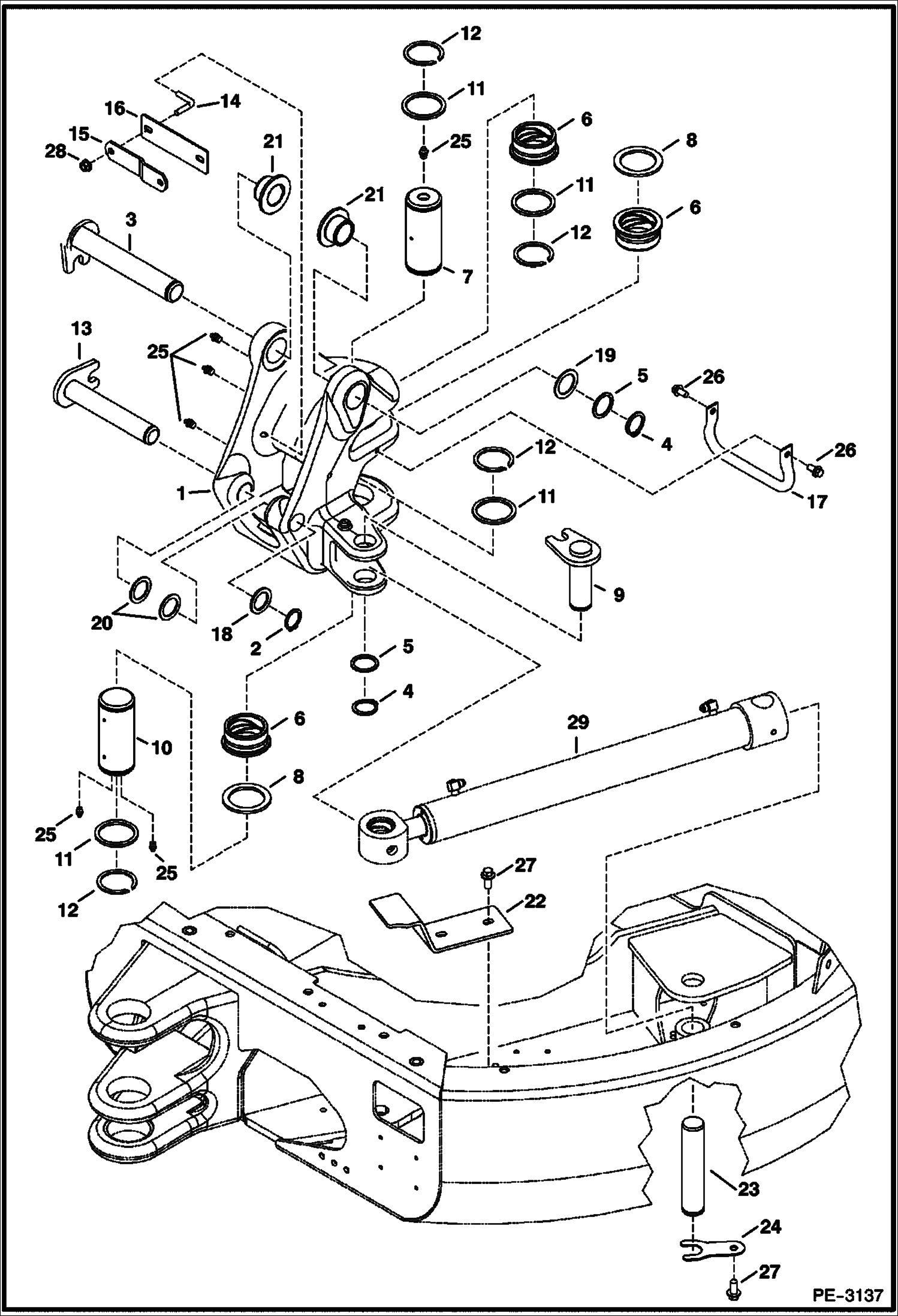
Запчасти Bobcat 428 SWING FRAME WORK EQUIPMENT

Схема запчастей Bobcat 428 - SWING FRAME WORK EQUIPMENT
FIT
1:1
100%

Артикул

Название

Примечание

Количество

1

6810691

FRAME

2

6534154

RING

3

6589323

PIN

4

6665618

RING

5

6666549

WASHER

6

6807956

BUSHING

7

PIN NLA - Order 7135322 - Was 6807961 - A

7

7135322

PIN Do not use Ref. 11 on bottom side with this pin.

8

6807962

WASHER

9

6807964

PIN

10

PIN NLA - Order 7135321 - Was 6807965 - A

10

7135321

PIN Do not use Ref. 11 on bottom side with this pin.

11

6808174

WASHER

12

6808175

RING

13

6808203

PIN

14

6808211

BOLT

15

6808600

BRACKET

16

6808751

SHIELD

17

6809796

SUPPORT

18

6534111

WASHER

19

6810704

SNAP RING

20

6811636

SPACER

21

6815278

BUSHING, PRESS FIT

22

7125916

STOP, SWING

23

7128598

PIN

24

7128599

RETAINER

25

10H25

FITTING, GREASE 5

26

29CM1020

BOLT

27

29CM1225

BOLT

28

51DM10

NUT

29

CYLINDER See Illustration SWING CYLINDER/ PE3419 - swing

Выбрано товаров: 31