Качественные детали и логистика
Оригинальные и аналоговые запчасти с доставкой по России, Казахстану и Беларуси
©2022 PartSell ООО "Система" ИНН 2463123282 ОГРН 1212400004838
Центральный офис: г. Красноярск, Академика Киренского, д.87, пом.4
Телефон: 8 (800) 777-65-74 Email: zakaz@partsell.ru
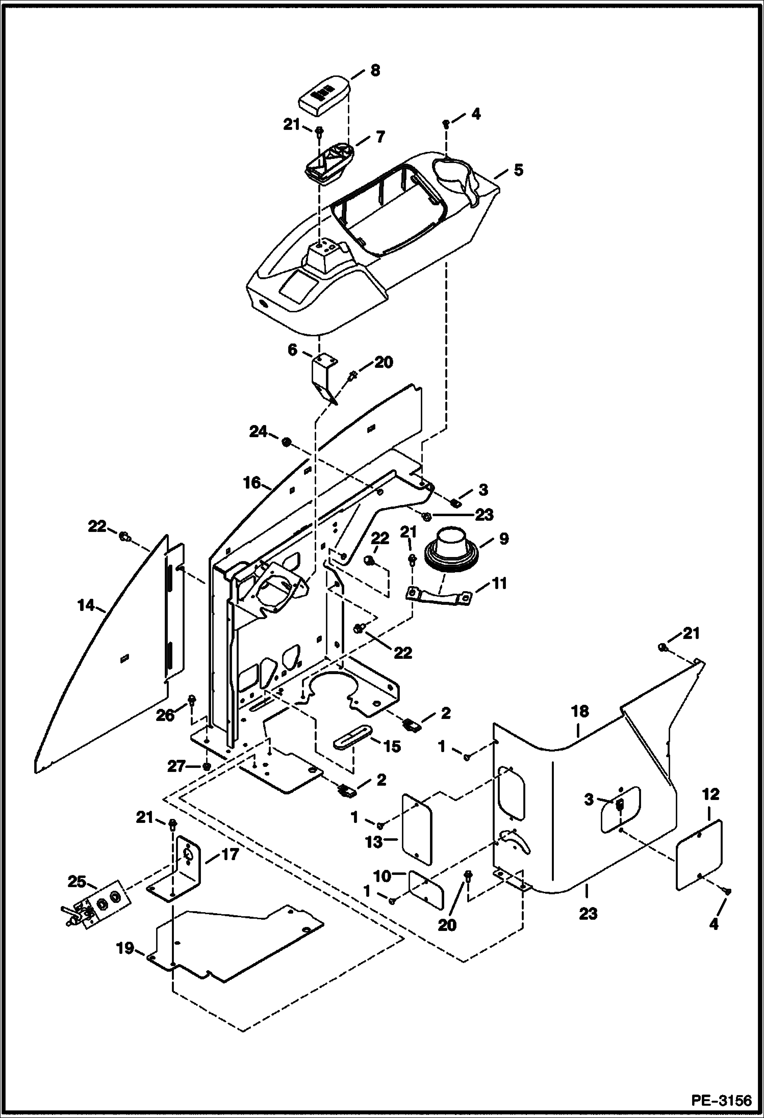
RH CONSOLE
№
Артикул
Название
Примечание
Количество
1
6589675
SCREW
2
6675722
NUT
3
6676026
4
6803202
5
6807033
COVER
6
6807362
SUPPORT
7
6807982
MOUNT
8
6807983
COVER armrest
9
6810671
BOOT
10
6812065
11
6814609
PLATE
12
6814933
13
6814934
14
6816688
PLATE cover
15
7138383
SEAL Was 7110793 - A
16
7134218
CONSOLE RH W/A
17
7134221
18
7135636
PANEL
19
7136517
20
26GM8016
21
26GM8020
22
26GM10020
BOLT
23
26GM10030
24
43DM10
25
VALVE See Illustration SELECTOR VALVE ASSY/ TS1353
26
29CM1016
27
4DM10
Выбрано товаров: 0