Качественные детали и логистика
Оригинальные и аналоговые запчасти с доставкой по России, Казахстану и Беларуси
©2022 PartSell ООО "Система" ИНН 2463123282 ОГРН 1212400004838
Центральный офис: г. Красноярск, Академика Киренского, д.87, пом.4
Телефон: 8 (800) 777-65-74 Email: zakaz@partsell.ru
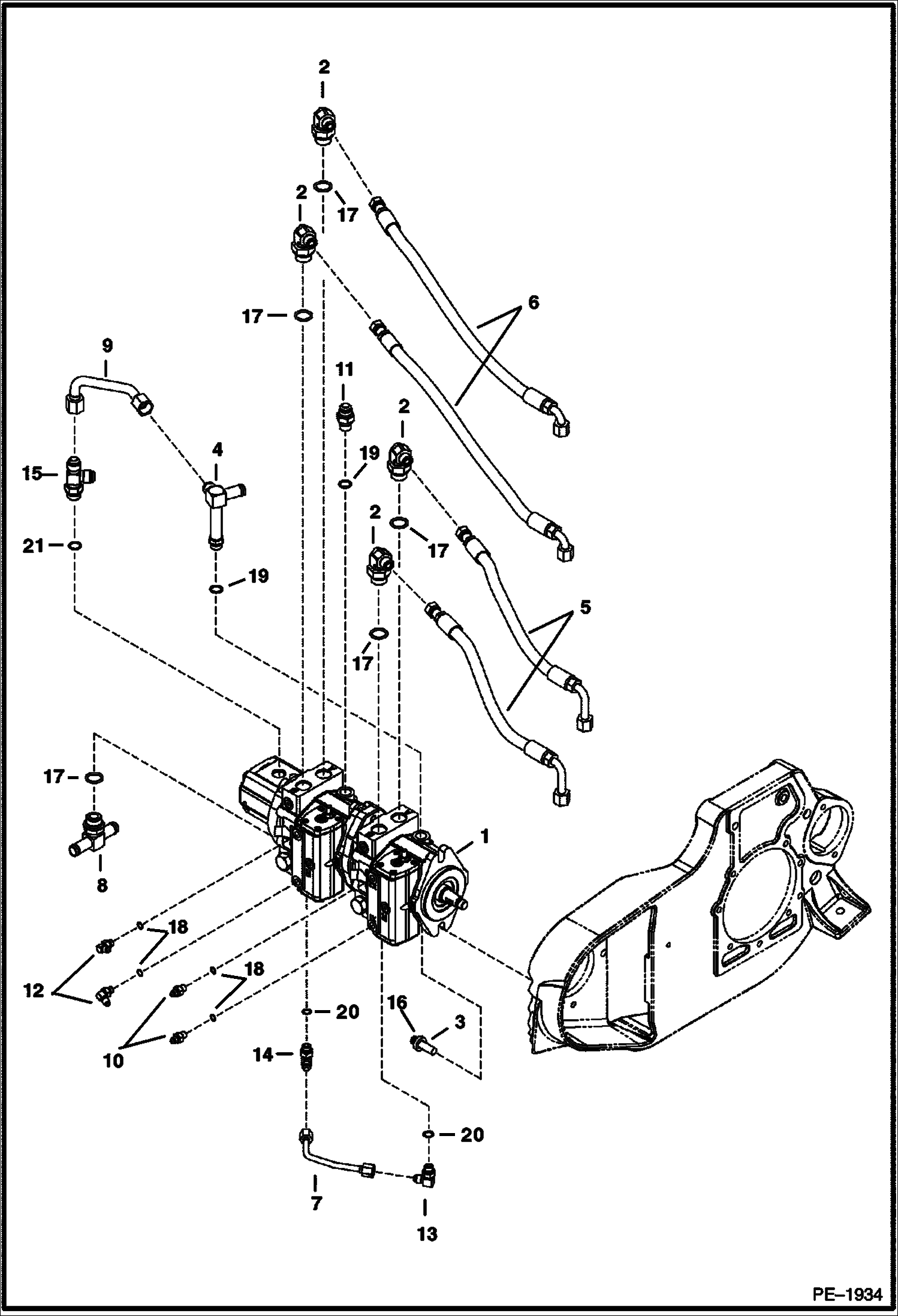
HYDROSTATIC CIRCUITRY (Hydrostatic Pump)
№
Артикул
Название
Примечание
Количество
1
6679754
PUMP See Illustration HYDROSTATIC PUMP/ PE2629 hydro
2
6682988
ELBOW W/Ref. 17
55K14
O-RING face seal
3
6701097
WASHER
4
6811697
TEE
5
6812552
HOSE
6
6812553
7
6813390
TUBE
8
6814420
FITTING W/Ref. 17
9
6815004
10
15KB0404
FTG HYD S Connector W/Ref. 18
11
15KB1008
FITTING, HYD CONNECTOR W/Ref. 19
12
17KB0404
FTG HYD ELBOW 90 W/Ref. 18
13
17KB0606
FITTING W/Ref. 20
14
19KB0606
TEE W/Ref. 20
15
21KB1010
FITTING, HYD TEE W/Ref. 21
16
93G824
BOLT
17
79K12
O RING 10
18
79K4
19
79K8
20
79K6
21
79K10
Выбрано товаров: 0