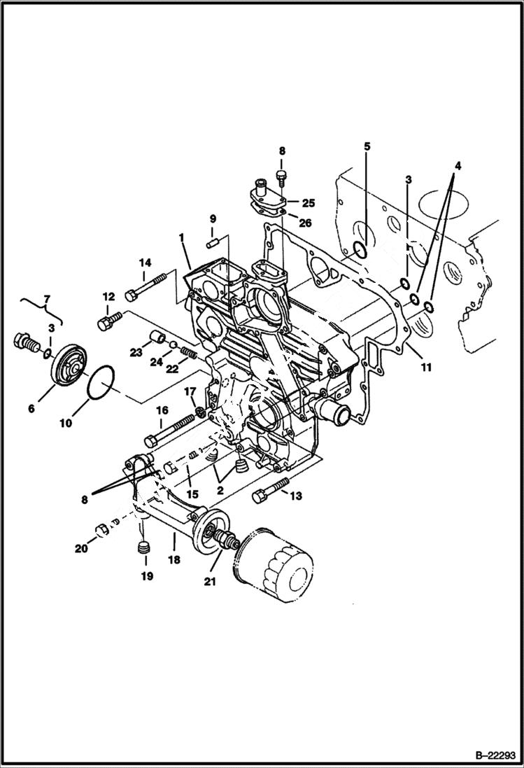
Запчасти Bobcat 430 GEARCASE (S/N 562511001 & Above) POWER UNIT

Схема запчастей Bobcat 430 - GEARCASE (S/N 562511001 & Above) POWER UNIT
FIT
1:1
100%

Артикул

Название

Примечание

Количество

1

GEAR CASE NLA - Gearcase - Order (1) ea of 6689717, 6685466,6684766,6689718,6684769 & (2) ea of 6685467 & 3974395 - W/Ref. 2-10 - Was 6684764 - A

1

HOUSING NLA - gearcase - W/Ref. 2-10 - Was 6685523 - A

2

6672360

PLUG

3

6670769

O-RING

4

6680661

O-RING

5

6684765

O-RING

6

6684766

COVER

7

6684767

BOLT W/Ref. 3

8

1CM620

BOLT Was 4CM620 - A

9

3974395

PIN

10

6684769

O-RING

11

6684770

GASKET gearcase

12

1CM835

BOLT

13

6680562

BOLT

14

6684771

BOLT

15

6653807

BOLT

16

6684772

BOLT

17

6667422

WASHER

18

6685082

BASE, FILTER Was 6685083 - D

19

6672360

PLUG

20

1CM840

BOLT

21

6653809

CONNECTOR

22

6652652

SPRING

23

3974893

SEAT valve

24

10J13

BALL

25

3974894

FLANGE water return

26

6666803

GASKET water return flange - Was 6684774 - A

Выбрано товаров: 27