Качественные детали и логистика
Оригинальные и аналоговые запчасти с доставкой по России, Казахстану и Беларуси
©2022 PartSell ООО "Система" ИНН 2463123282 ОГРН 1212400004838
Центральный офис: г. Красноярск, Академика Киренского, д.87, пом.4
Телефон: 8 (800) 777-65-74 Email: zakaz@partsell.ru
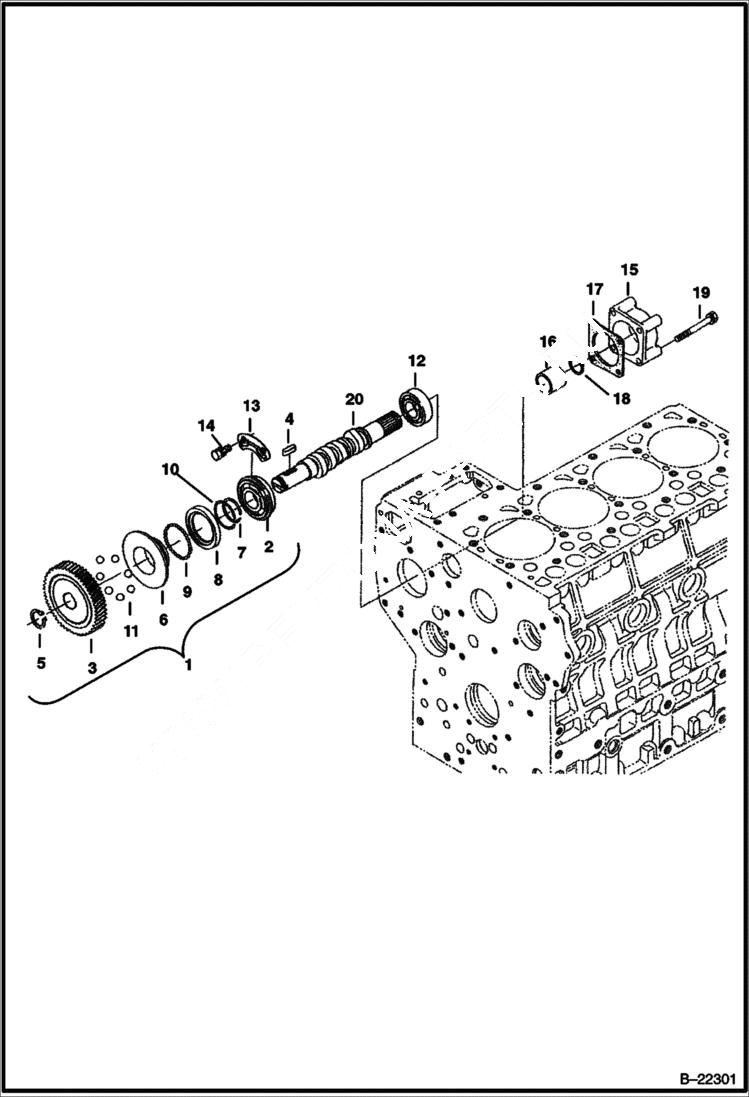
FUEL CAMSHAFT & GOVERNOR SHAFT (S/N 562511001 & Above)
№
Артикул
Название
Примечание
Количество
1
6685097
CAMSHAFT assy - W/Ref. 2-8 & 20
2
851242
BEARING
3
6685098
GEAR
4
6598099
KEY
5
5JM24
CIRCLIP
6
6655213
SLEEVE governor
7
3974618
CIR-CLIP
8
6655214
CASE
9
6969817
BALL Was 10J5 - A
10
3974620
11
6655215
BALL
12
6684812
BALL BEARING ball
13
3974624
STOPPER
14
6667420
BOLT
15
3974996
COVER Was 6667440 - A
16
6684814
COLLAR
17
6692386
GASKET Was 6684813 - A
18
3975432
19
1CM865
SCREW
20
CAMSHAFT NSS - order Ref. 1
Выбрано товаров: 0