Качественные детали и логистика
Оригинальные и аналоговые запчасти с доставкой по России, Казахстану и Беларуси
©2022 PartSell ООО "Система" ИНН 2463123282 ОГРН 1212400004838
Центральный офис: г. Красноярск, Академика Киренского, д.87, пом.4
Телефон: 8 (800) 777-65-74 Email: zakaz@partsell.ru
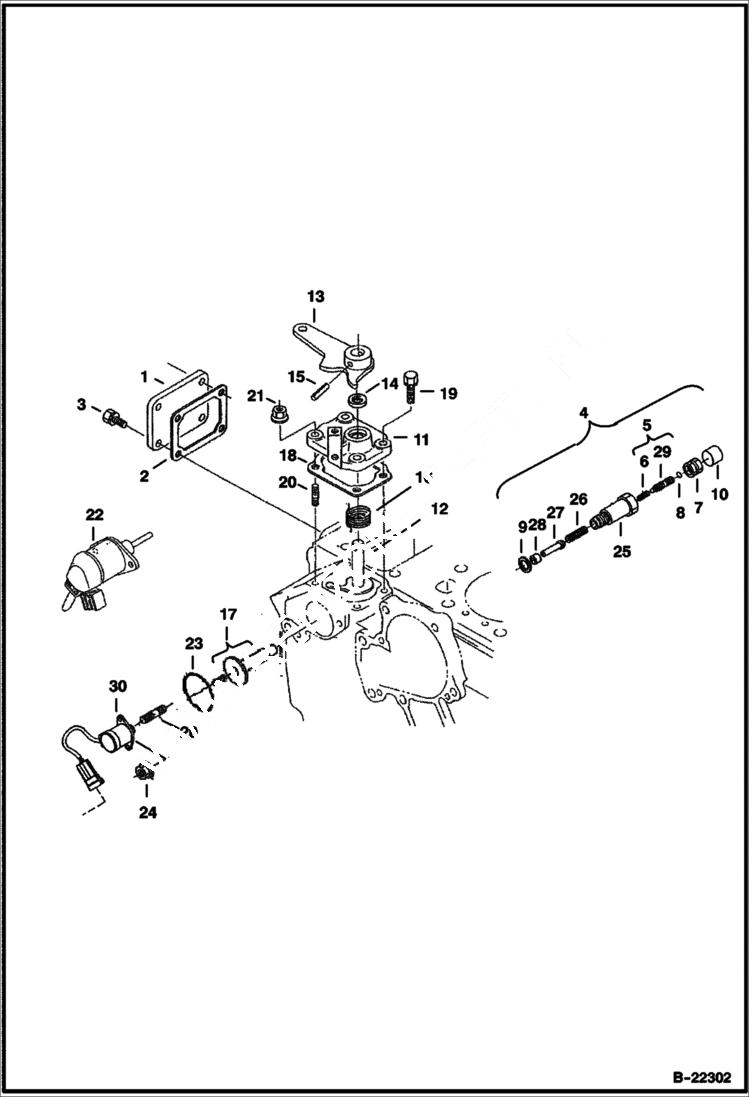
IDLE APPARATUS (S/N 562511001 & Above)
№
Артикул
Название
Примечание
Количество
1
6684751
COVER
2
6666783
GASKET Was 6684752 - A
3
1CM616
SCREW Was 4CM616 - A
4
6684815
IDLING ASSY assy - fuel - W/Ref. 6-10
5
6684816
BOLT, ADJUSTING
6
3974977
SPRING
7
6684817
NUT
8
6684891
SEAL
9
6684818
10
6684819
CAP
11
6684820
LEVER assy - W/Ref. 12-16
12
6684821
LEVER
13
6684822
14
6589703
CHAINCASE oil
15
6589098
PIN
16
6684823
17
6684825
GUIDE, SOLENOID
18
6684841
GASKET Was 6684824 - A
19
1CM620
BOLT Was 4CM620 - A
20
6652764
STUD Was 3974462B - A
21
6670533
NUT Was 6653561 - A
22
SOLENOID NLA- fuel shutoff W/molded connector - Order Ref. 30 - Was 6684826 - A
23
6677915
24
6684827
25
PLUG NSS - order Ref. 4
26
SPRING NSS - order Ref. 4
27
PIN NSS - order Ref. 4
28
COLLAR NSS - order Ref. 4
29
BOLT NSS - order Ref. 4
30
6691498
SOLENOID, SHUTOFF FUEL 240 mm (9.45'') lead
Выбрано товаров: 0