Запчасти Bobcat 430 INJECTION PUMP (S/N 562511001 & Above) POWER UNIT

Схема запчастей Bobcat 430 - INJECTION PUMP (S/N 562511001 & Above) POWER UNIT
FIT
1:1
100%

Артикул

Название

Примечание

Количество

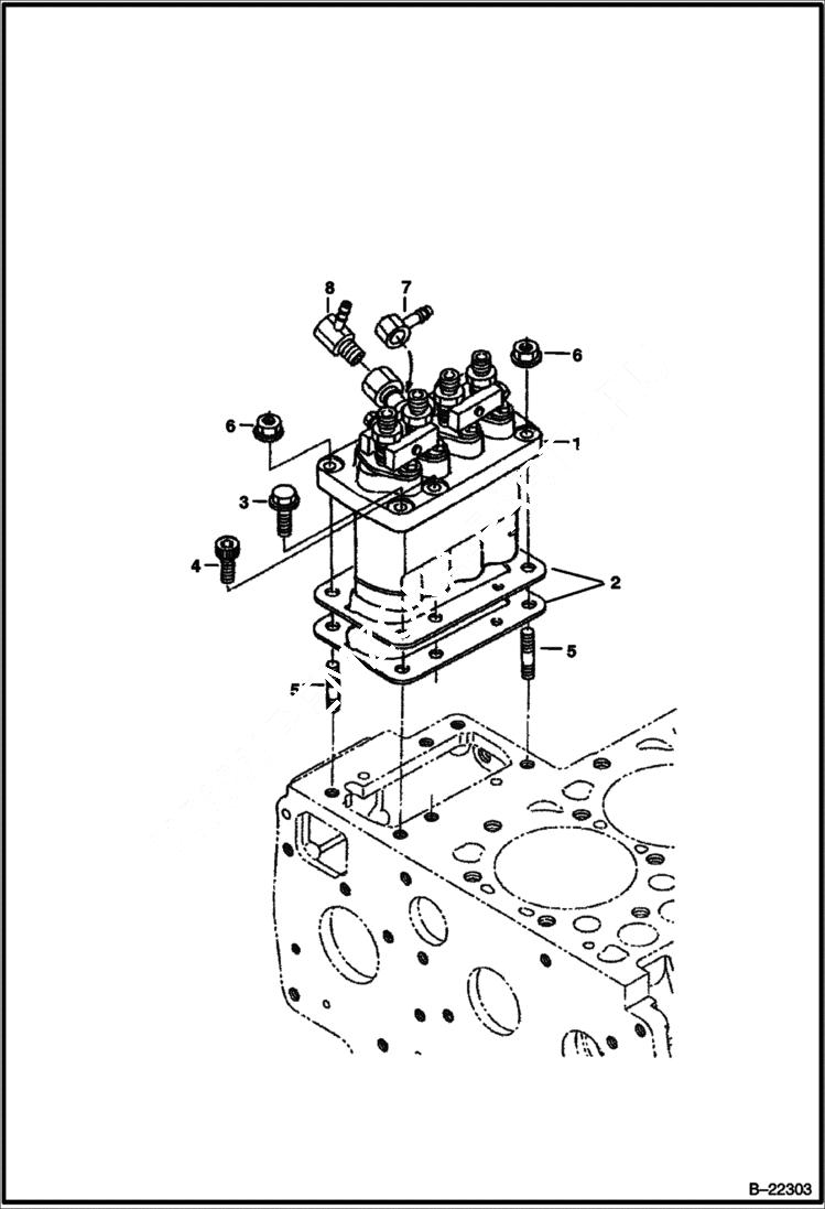
1

6685099

PUMP Was 7020868 - B,D

1

6685511REM

PUMP, FUEL INJ. KUBOTA V2203

2

3974626

SHIM 0.20mm - Was 6682514 - A

2

6682515

SHIM 0,25 mm - injection pump

2

6655210

SHIM 0,30 mm - injection pump

2

6684829

SHIM 0,35 mm - injection pump

3

6680544

BOLT

4

6684830

BOLT

5

6652670

STUD Was 3974916B - A

6

6680663

NUT

7

6513707

JOINT

8

6652671

ORIFICE

Выбрано товаров: 12