Запчасти Bobcat 430 LOWER GASKET KIT (S/N E/ 9ZZ999 & Below) (S/N 562711001 & Above) POWER UNIT

Схема запчастей Bobcat 430 - LOWER GASKET KIT (S/N E/ 9ZZ999 & Below) (S/N 562711001 & Above) POWER UNIT
FIT
1:1
100%

Артикул

Название

Примечание

Количество

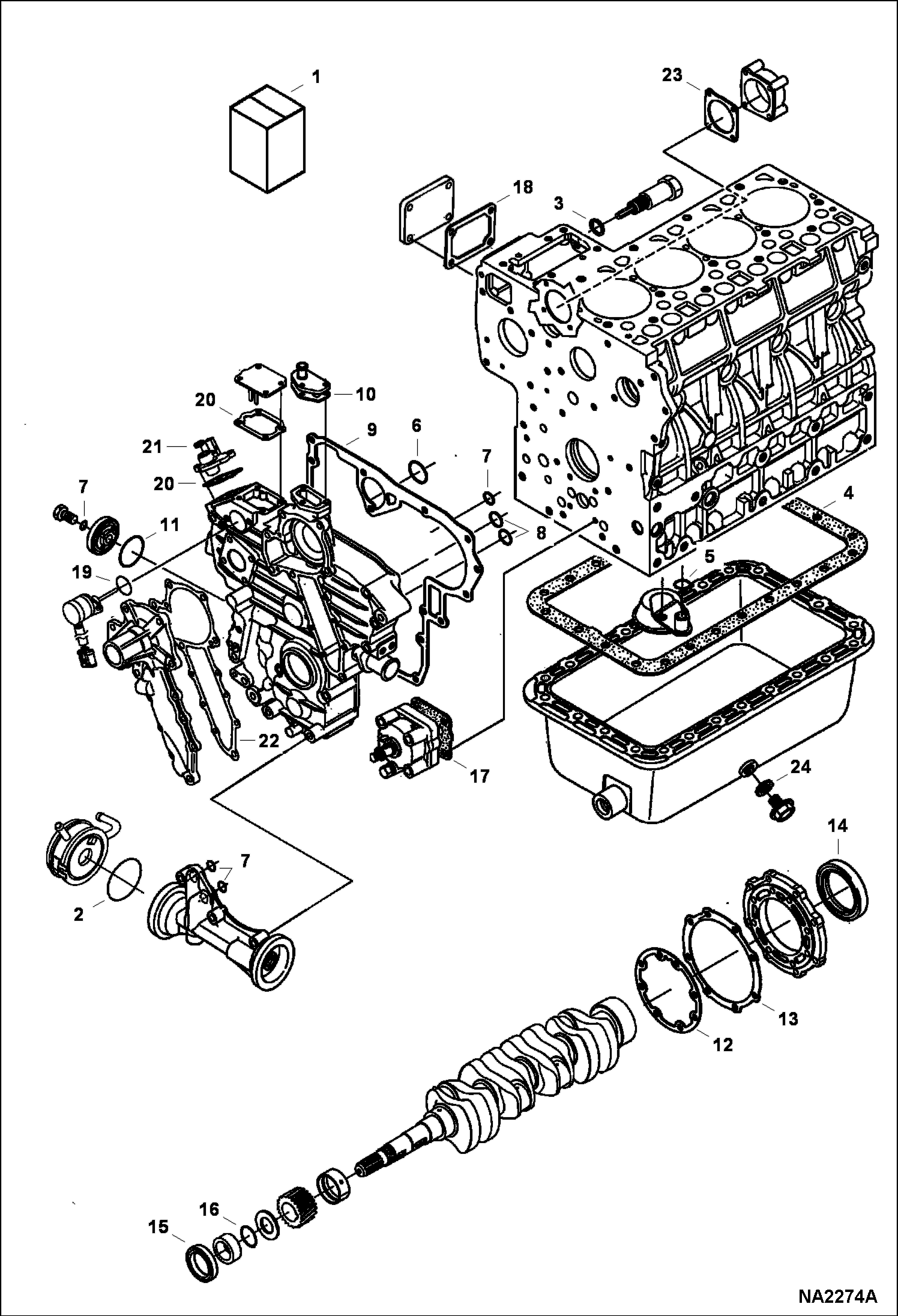
1

6689018

KIT, GASKET ENG LOWER Ref. 2-24

2

6698244

ORING not required

3

6684818

SEAL See Illustration IDLE APPARATUS/ B24218 - idle adj. bolt

4

6666817

GASKET See Illustration OIL PAN/ B22291A - oil pan

5

6684754

O-RING See Illustration OIL PAN/ B22291A - oil screen

6

6685468

O-RING See Illustration GEARCASE/ B24213 - gear case

7

6685466

O-RING See Illustration GEARCASE/ B24213 - gear case

8

6685467

O-RING See Illustration GEARCASE/ B24213 - gear case

9

6684770

GASKET See Illustration GEARCASE/ B24213 - gear case

10

6666803

GASKET See Illustration GEARCASE/ B24213 - return flange

11

6684769

O-RING See Illustration GEARCASE/ B24213 - cover

12

6684788

GASKET See Illustration PISTON & CRANKSHAFT/ B22684 - bearing case

13

6666814

GASKET See Illustration PISTON & CRANKSHAFT/ B22684 - case cover

14

6684789

SEAL See Illustration PISTON & CRANKSHAFT/ B22684 - oil rear main

15

7024826

SEAL, OIL See Illustration PISTON & CRANKSHAFT/ B22684 - front oil - oil frt main - Was 6631664

16

3974577

O RING See Illustration PISTON & CRANKSHAFT/ B22684 - crankshaft frt

17

6666782

GASKET See Illustration OIL PUMP/ B22297A - oil pump

18

6666783

GASKET See Illustration IDLE APPARATUS/ B24218 - cover

19

6685465

O-RING See Illustration IDLE APPARATUS/ B24218 - stop solenoid

20

6684841

GASKET See Illustration SPEED CONTROL PLATE/ B22305A - boost cover

21

6685476

SEAL See Illustration SPEED CONTROL PLATE/ B22305A - speed control lever

22

6684870

GASKET See Illustration WATER PUMP/ B22311A - water pump

23

6692386

GASKET See Illustration FUEL CAMSHAFT & GOVERNOR SHAFT/ B24217 - fuel camshaft cover

24

6680484

GASKET See Illustration OIL PAN/ B22291A - drain plug

Выбрано товаров: 0