Качественные детали и логистика
Оригинальные и аналоговые запчасти с доставкой по России, Казахстану и Беларуси
©2022 PartSell ООО "Система" ИНН 2463123282 ОГРН 1212400004838
Центральный офис: г. Красноярск, Академика Киренского, д.87, пом.4
Телефон: 8 (800) 777-65-74 Email: zakaz@partsell.ru
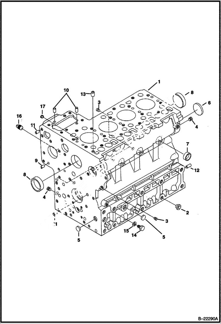
CRANKCASE (S/N 562711001 & Above)
№
Артикул
Название
Примечание
Количество
1
6685076
CRANKCASE W/Ref. 2-13
2
6598187
PLUG
3
6652574
PLUG Was 6598169 - A
4
6598170
5
6667418
PLUG expansion
6
6657663
7
3974389
CAP, SEALING sealing
8
3974390
PLUG Was 6680639 - A
9
3974393
PIN straight
10
3974394
PIN
11
3974395
12
3974868
13
3974037
PIN pipe
14
6655884
PLUG Was 3974403 - B,D
15
3974095
MET-GASK copper - Was 6680792 - A
16
16F2
17
3975169
CAP sealing Was - 3974169 - D
Выбрано товаров: 0