Качественные детали и логистика
Оригинальные и аналоговые запчасти с доставкой по России, Казахстану и Беларуси
©2022 PartSell ООО "Система" ИНН 2463123282 ОГРН 1212400004838
Центральный офис: г. Красноярск, Академика Киренского, д.87, пом.4
Телефон: 8 (800) 777-65-74 Email: zakaz@partsell.ru
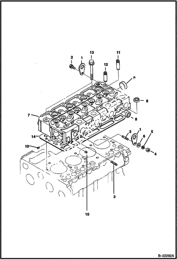
CYLINDER HEAD (S/N 562711001 & Above)
№
Артикул
Название
Примечание
Количество
1
3974882
HOOK engine
2
6667421
BOLT
3
6598156
STUD
4
6652792
NUT
5
6667422
WASHER
6
1EM80
WASHER Was 2EM8 - A
7
6685503
CYLINDER head - W/Ref. 8-12
8
3974432
PLUG Was 6680665 - A
9
6680666
PLUG
10
3918808
11
6655154
GUIDE inlet valve
12
6684756
GUIDE exhaust
13
6655158
BOLT cylinder head
14
6685077
GASKET .047 inch (1.20mm) thick
6685078
GASKET .045 inch (1.15mm) thick
6685079
GASKET .049 inch (1.25mm) thick
6685080
GASKET .051 inch (1.30mm) thick
6685081
GASKET .053 inch (1.35mm) thick
Выбрано товаров: 0