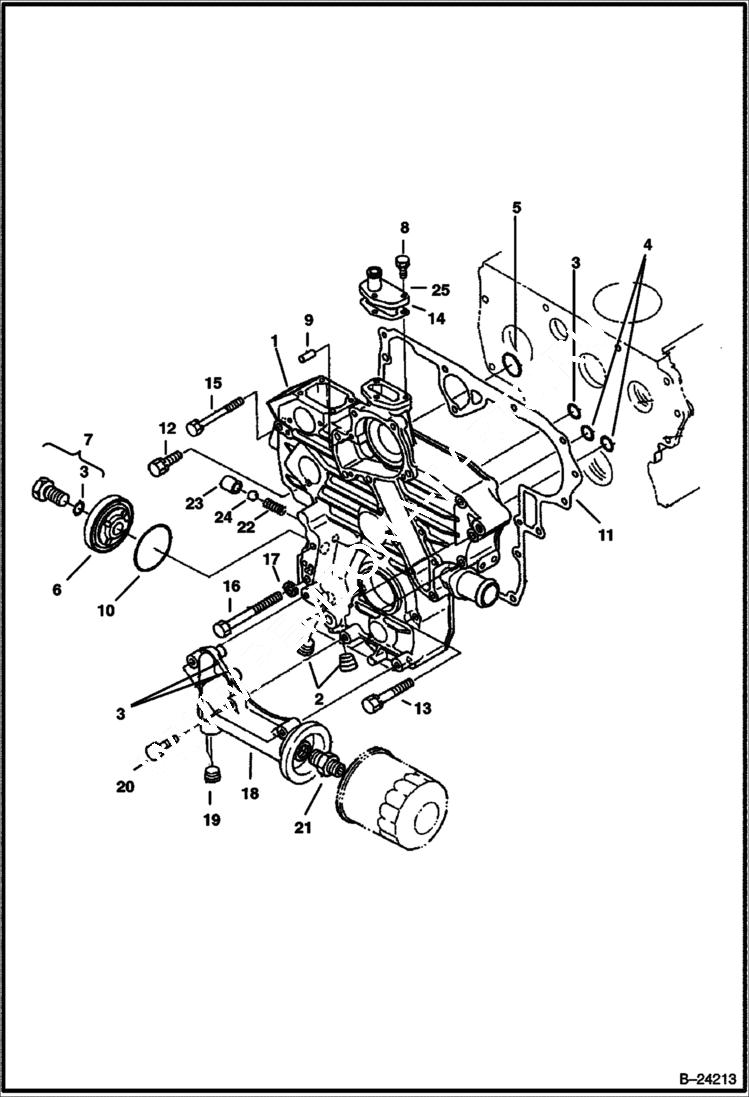
Запчасти Bobcat 430 GEARCASE (S/N E/ 9ZZ999 & Below) (S/N 562711001 & Above) POWER UNIT

Схема запчастей Bobcat 430 - GEARCASE (S/N E/ 9ZZ999 & Below) (S/N 562711001 & Above) POWER UNIT
FIT
1:1
100%

Артикул

Название

Примечание

Количество

1

GEAR CASE NLA - Gearcase - Order (1) ea of 6689717, 6685466,6684766,6689718,6684769 & (2) ea of 6685467 & 3974395 - W/Ref. 2-10 - Was 6684764 - A

1

7001682

HOUSING, GEAR ASSY gearcase - W/Ref. 2

2

6672360

PLUG

3

6670769

O-RING

4

6680661

O-RING

5

6684765

O-RING

6

6684766

COVER

7

6684767

BOLT W/Ref. 3

8

1CM620

BOLT Was 4CM620 - A

9

3974395

PIN

10

6684769

O-RING

11

6684770

GASKET gearcase

12

1CM835

BOLT

13

6680562

BOLT

14

6666803

GASKET water return flange - Was 6684774 - A

15

6653807

BOLT

16

6684772

BOLT

17

6667422

WASHER

18

6685082

BASE, FILTER

19

6672360

PLUG

20

1CM840

BOLT

21

6653809

CONNECTOR

22

6652652

SPRING

23

3974893

SEAT valve

24

10J13

BALL

25

3974894

FLANGE water return

Выбрано товаров: 26