Качественные детали и логистика
Оригинальные и аналоговые запчасти с доставкой по России, Казахстану и Беларуси
©2022 PartSell ООО "Система" ИНН 2463123282 ОГРН 1212400004838
Центральный офис: г. Красноярск, Академика Киренского, д.87, пом.4
Телефон: 8 (800) 777-65-74 Email: zakaz@partsell.ru
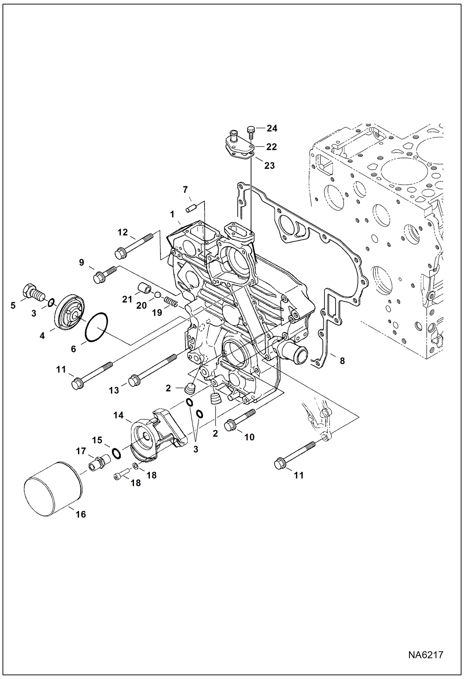
GEARCASE (S/N E/ AA0001 & Above) (S/N 562711001 & Above)
№
Артикул
Название
Примечание
Количество
1
7024019
HOUSING, GEARCASE W/Ref. 2
2
6672360
PLUG
3
6685466
O-RING
4
6684766
COVER
5
6684768
BOLT
6
6684769
7
3974395
PIN straight
8
7010599
GASKET, GEARCASE
9
6680706
10
6692375
11
6692377
12
6680686
13
6692376
14
6685082
BASE, FILTER W/Ref. 15
15
16
6675517
FILTER, OIL ENG 12
17
6653809
CONNECTOR oil filter
18
6960963
19
6652652
SPRING
20
10J13
BALL Was 6969574 - A
21
3974893
SEAT valve
22
3974894
FLANGE water return
23
6666803
GASKET water return flange
24
1CM620
BOLT Was 4CM620 - A
Выбрано товаров: 0