Качественные детали и логистика
Оригинальные и аналоговые запчасти с доставкой по России, Казахстану и Беларуси
©2022 PartSell ООО "Система" ИНН 2463123282 ОГРН 1212400004838
Центральный офис: г. Красноярск, Академика Киренского, д.87, пом.4
Телефон: 8 (800) 777-65-74 Email: zakaz@partsell.ru
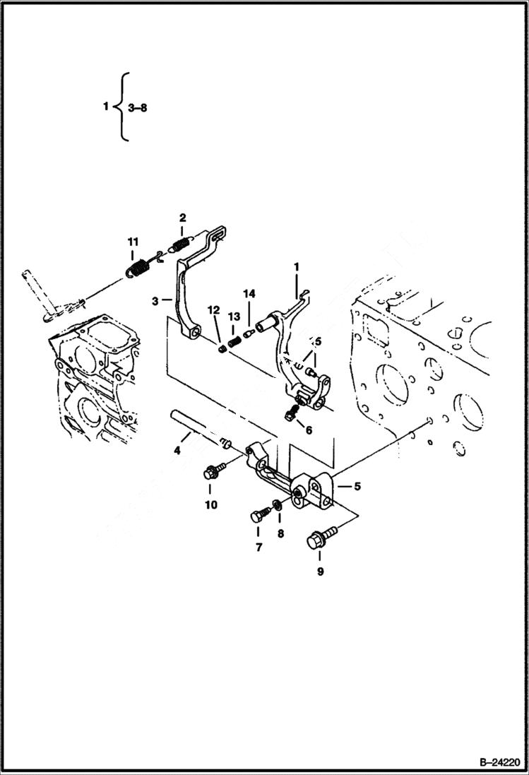
GOVERNOR (S/N 562711001 & Above)
№
Артикул
Название
Примечание
Количество
1
6685100
LEVER assy - W/Ref. 3-8, 14-17
2
6685514
SPRING
3
6684832
LEVER
4
6684833
SHAFT
5
6653916
HOLDER Was 6684834 - A
6
6680830
BOLT
7
3974662
8
6667419
WASHER
9
6598355
10
6685464
11
6684835
12
PLUG NSS - Order Ref. 1
13
SPRING NSS - Order Ref. 1
14
15
Выбрано товаров: 0