Запчасти Bobcat 430 ELECTRICAL (Engine) ELECTRICAL SYSTEM

Схема запчастей Bobcat 430 - ELECTRICAL (Engine) ELECTRICAL SYSTEM
FIT
1:1
100%

Артикул

Название

Примечание

Количество

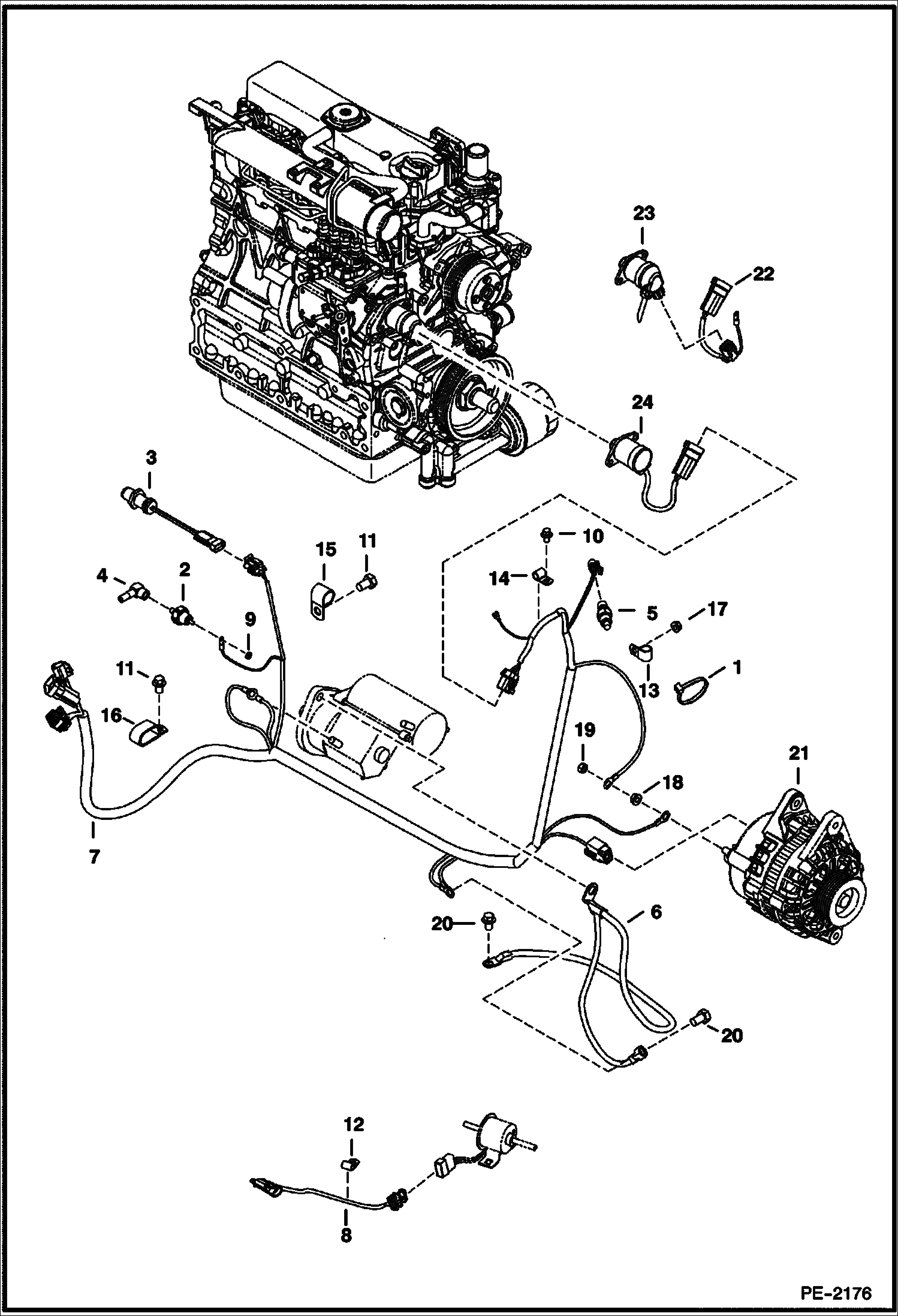
1

6624289

STRAP, TIE

2

6631010

SWITCH, PRESS OIL ENG pressure - engine

3

6684037

SENSOR speed

4

6707040

ELBOW

5

6718414

SENDER, TEMP ENG

6

6812395

CABLE negative

7

HARNESS NLA- engine - W/Ref. 22 - Order 6814829 harness - also Order Ref. 22 if Ref. 23 is used - Was 6814829 - A

7

6814829

HARNESS engine - W/O Ref. 22

8

6815091

HARNESS fuel pump

9

12D8

NUT

10

29CM816

SCREW Was 29CM812 - B

11

29CM1016

BOLT

12

6CM1220

BOLT

13

CLIP NLA - Order Ref. 14 - Was 30H22 - B

14

30H26

CLIP

15

30H48

CLIP

16

31H42

CLIP

17

43DM6

NUT

18

43DM8

NUT

19

4DM8

NUT

20

6CM1220

BOLT

21

6681857

ALTERNATOR See Illustration ALTERNATOR/ B22386

22

6814830

HARNESS

23

SOLENOID NLA- fuel shuttof W/molded connector- Order Ref. 24 - Was 6684826 - A

24

6691498

SOLENOID, SHUTOFF FUEL 240 mm (9.45'') lead

Выбрано товаров: 25