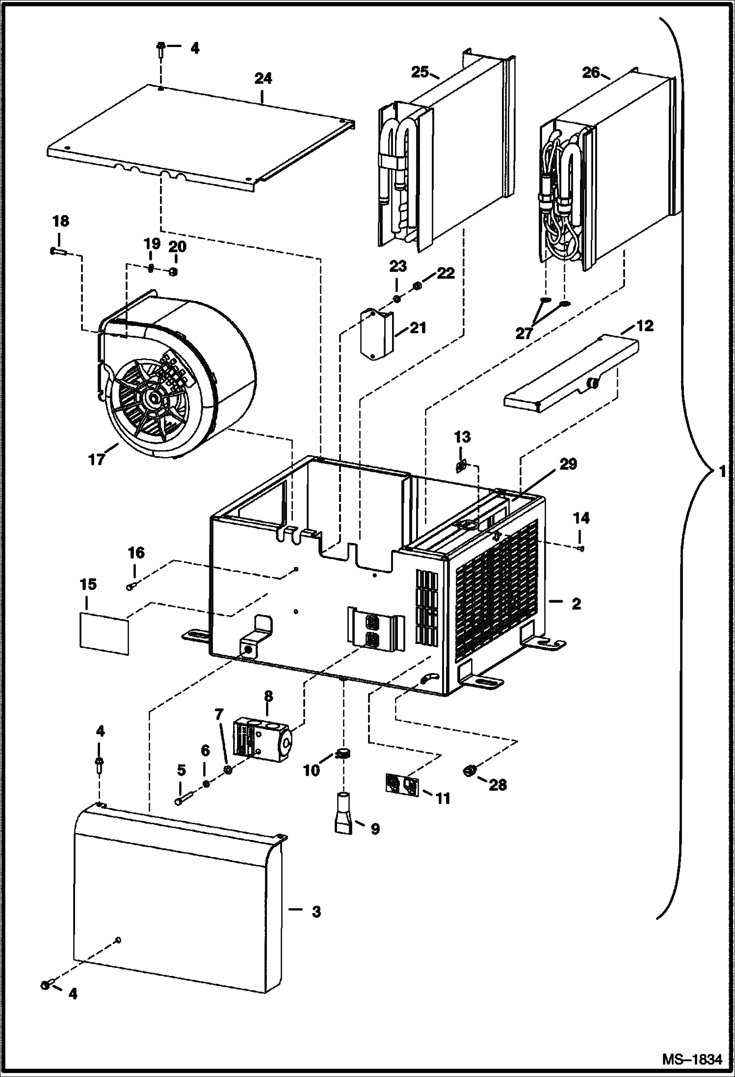
Запчасти Bobcat 430 HVAC (HVAC Box W/Top Access Filter) (S/N 562912648 & Below) ACCESSORIES & OPTIONS

Схема запчастей Bobcat 430 - HVAC (HVAC Box W/Top Access Filter) (S/N 562912648 & Below) ACCESSORIES & OPTIONS
FIT
1:1
100%

Артикул

Название

Примечание

Количество

1

6678966

BOX (HVAC W/top access filter) - W/Ref. 2-29

2

CASE NSS - Order Ref. 1

3

COVER NLA - Order 6678966 box - Was 6685316 - A

4

6685315

SCREW

5

6685116

SCREW

6

6684499

WASHER

7

6684500

WASHER

8

6684539

VALVE expansion

9

6684507

TUBE drain

10

6684506

CLAMP

11

6685312

DECAL

12

COVER NLA - Order 6678966 box - Was 6685313 - A

13

6685322

NUT

14

RIVET NLA - by locally

15

PLATE NLA

16

6685114

SCREW

17

BLOWER NLA - Order 7010052 harness & 7010053 blower - Was 6685320 - A

18

6685319

SCREW

19

6684500

WASHER

20

6684521

NUT

21

6679082

THERMOSTAT

22

6684520

NUT

23

6685115

WASHER

24

COVER NLA - Order 6678966 box - Was 6685317 - A

25

COIL NLA - Order 6678966 box - Was 6685323 - A

26

6685324

EVAPORATOR

27

6685117

O-RING Was 6685325 - A

28

6685321

SCREW

29

6685314

FILTER, AIR HEATER CAB

Выбрано товаров: 29