Запчасти Bobcat 430 X-CHANGE (Bolt-On) ACCESSORIES & OPTIONS

Схема запчастей Bobcat 430 - X-CHANGE (Bolt-On) ACCESSORIES & OPTIONS
FIT
1:1
100%

Артикул

Название

Примечание

Количество

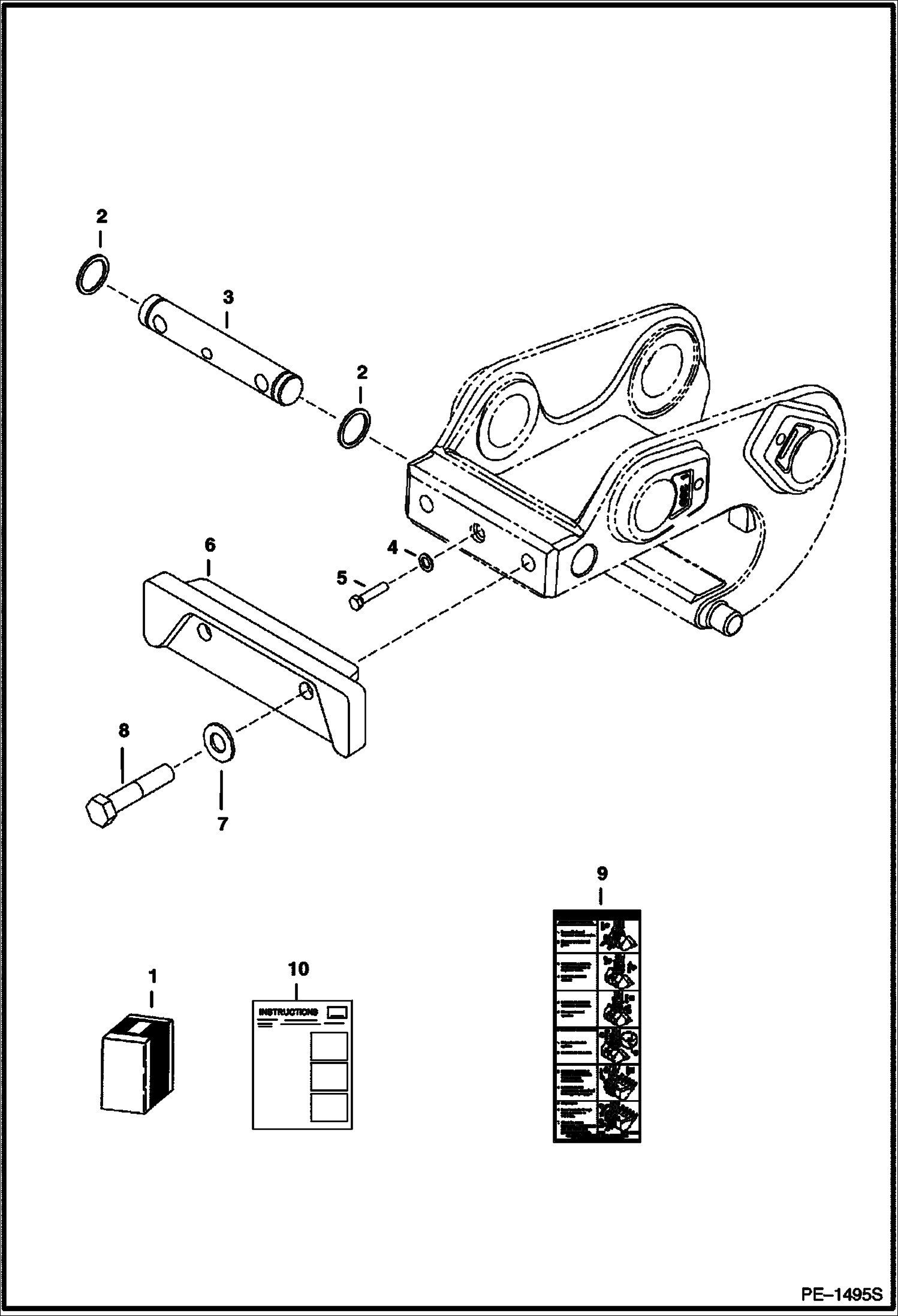
1

6817828

KIT

2

58K214

O RING 10

3

6733540

PIN

4

17EM100

WASHER

5

1CM1050

SCREW

6

7103112

PLATE

7

6816369

GASKET

8

17C1056

BOLT

9

6806121

DECAL

10

6902620

INSTRUCTIONS

Выбрано товаров: 10