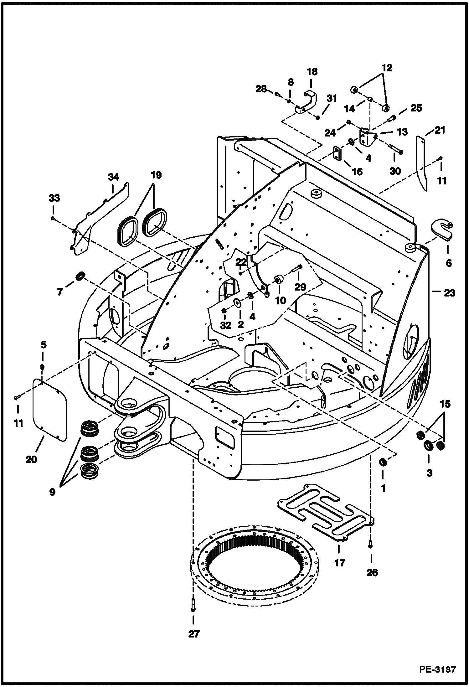
Запчасти Bobcat 430 UPPERSTRUCTURE (S/N 563014292 & Below) MAIN FRAME

Схема запчастей Bobcat 430 - UPPERSTRUCTURE (S/N 563014292 & Below) MAIN FRAME
FIT
1:1
100%

Артикул

Название

Примечание

Количество

1

6515603

GROMMET

2

6560899

WASHER flat

3

6670119

GROMMET

4

6675273

WASHER

5

6676026

NUT

6

6810968

HINGE weld-on

7

6681886

GROMMET

8

6807220

SPACER

9

6807956

BUSHING

10

6808365

BUMPER

11

6809030

SCREW

12

6809726

ROLLER

13

6809727

CHANNEL

14

6809734

BUSHING

15

6810133

GROMMET

16

6810802

BAR bar

17

6810972

PLATE

18

6811886

TAILGATE LOCK

19

7124332

GROMMET Was 6814926 - A

20

6816555

SCREEN

21

7110857

COVER

22

43DM6

NUT

23

UPPERSTRUCTURE NLA - Order 7102269 upperstructure, 7109894 hose, and 7109134 bracket - Was 7102847 - A

23

7102269

UPPERSTRUCTURE

24

59D6

NUT

25

17C820

BOLT

26

1CM1030

BOLT

27

55CM1260

SCREW

28

29CM820

SCREW

29

29CM1050

BOLT

30

38C840

BOLT

31

43DM8

NUT

32

51DM10

NUT

33

6683172

CLIP plastic tree

34

6682272

SEAL rubber

Выбрано товаров: 35