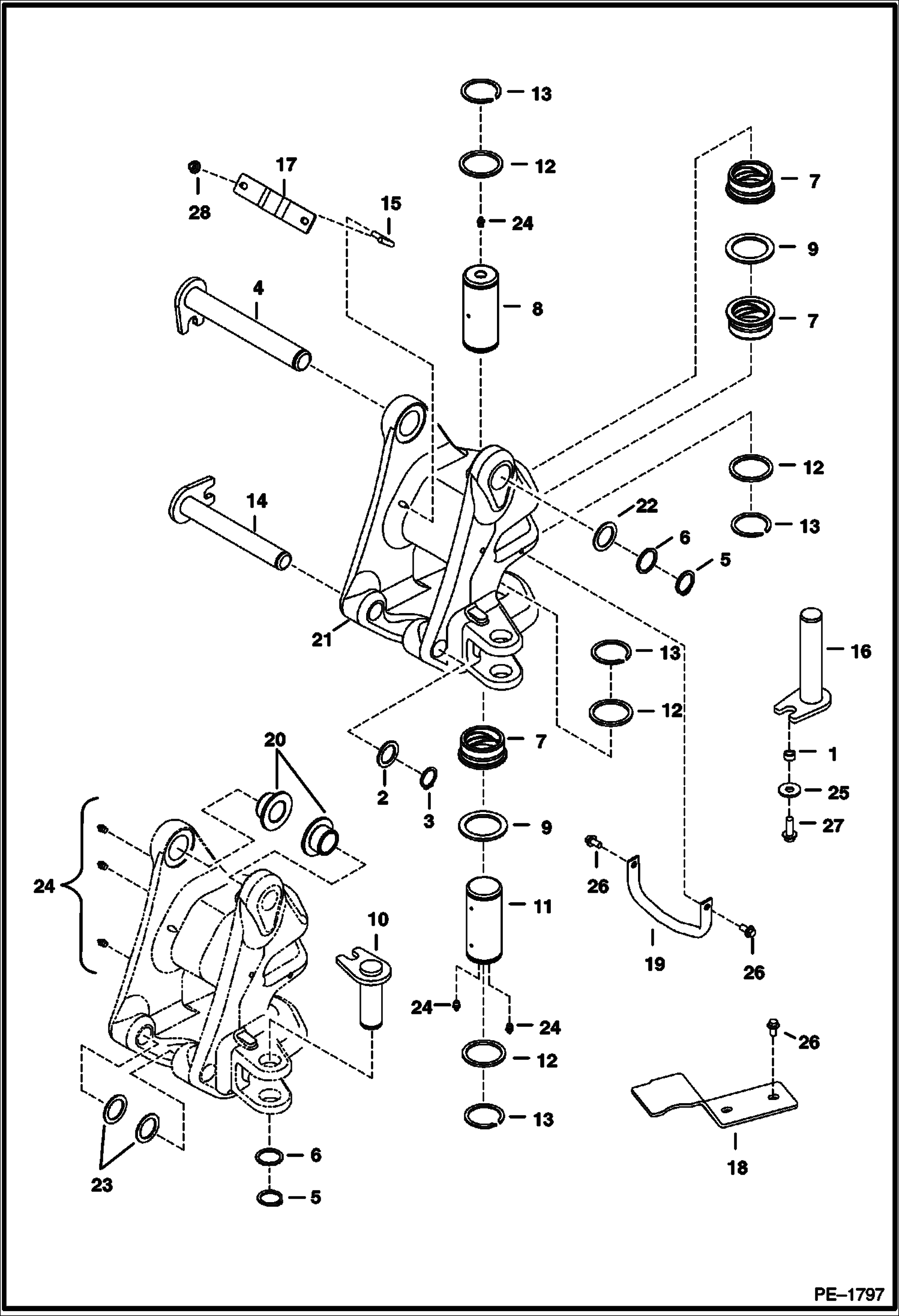
Запчасти Bobcat 430 SWING FRAME WORK EQUIPMENT

Схема запчастей Bobcat 430 - SWING FRAME WORK EQUIPMENT
FIT
1:1
100%

Артикул

Название

Примечание

Количество

1

6503451

SPACER

2

6534111

WASHER

3

6534154

RING retaining

4

6597198

PIN, PIVOT SWING

5

6665618

RING retaining

6

6666549

WASHER support

7

6807956

BUSHING

8

PIN NLA - Order 7135322 - Was 6807961 - A

8

7135322

PIN Do not use Ref. 12 on bottom side with this pin.

9

6807962

WASHER

10

6807964

PIN

11

PIN NLA - Order 7135321 - Was 6807965 - A

11

7135321

PIN Do not use Ref. 12 on bottom side with this pin.

12

6808174

WASHER

13

6808175

RING retaining

14

6808205

PIN

15

6808211

BOLT

16

6808267

PIN

17

6808601

BRACKET

18

6808984

BRACKET

19

6809253

SUPPORT

20

6815278

BUSHING, PRESS FIT Was 6810581 - A

21

6810698

FRAME

22

6810704

SNAP RING

23

6811636

SPACER

24

10H25

FITTING, GREASE 5 grease

25

17EM120

WASHER

26

29CM1020

BOLT

27

29CM1235

BOLT

28

51DM10

NUT

Выбрано товаров: 30