Качественные детали и логистика
Оригинальные и аналоговые запчасти с доставкой по России, Казахстану и Беларуси
©2022 PartSell ООО "Система" ИНН 2463123282 ОГРН 1212400004838
Центральный офис: г. Красноярск, Академика Киренского, д.87, пом.4
Телефон: 8 (800) 777-65-74 Email: zakaz@partsell.ru
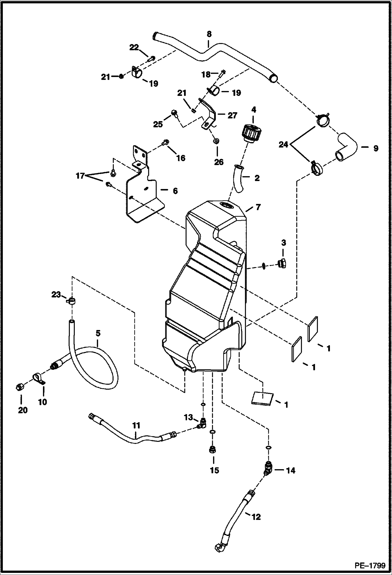
HYDRAULIC CIRCUITRY (Tank)
№
Артикул
Название
Примечание
Количество
1
6578278
PAD square - rubber
2
7134222
SCREEN fill - Was 6587168 - A
3
6665915
GAUGE
4
6692836
CAP, HYDRAULIC TANK W/ 79K20 O-ring - Was 6674690 - B,D
5
6812176
HOSE
6
6814175
BRACKET
7
6814617
TANK hydraulic
8
7101019
TUBE
9
7159240
HOSE, HYD FORMED Was 6814655 - A
10
30HJ616
CLIP
11
7107655
HOSE Was 6815887 - A
12
7125155
HOSE Was 6815894 - B
13
17KB0606
FITTING
14
17KB0808
FITTING, HYD ELBOW
15
24K6
16
26GM10020
BOLT
17
29CM816
SCREW
18
29CM820
19
30H75
CLAMP
20
36K6
CAP
21
43DM8
NUT
22
59CM10110
23
5HM20
24
5HM42
HOSECLAMP
25
29CM1030
26
43DM10
27
6815896
Выбрано товаров: 0