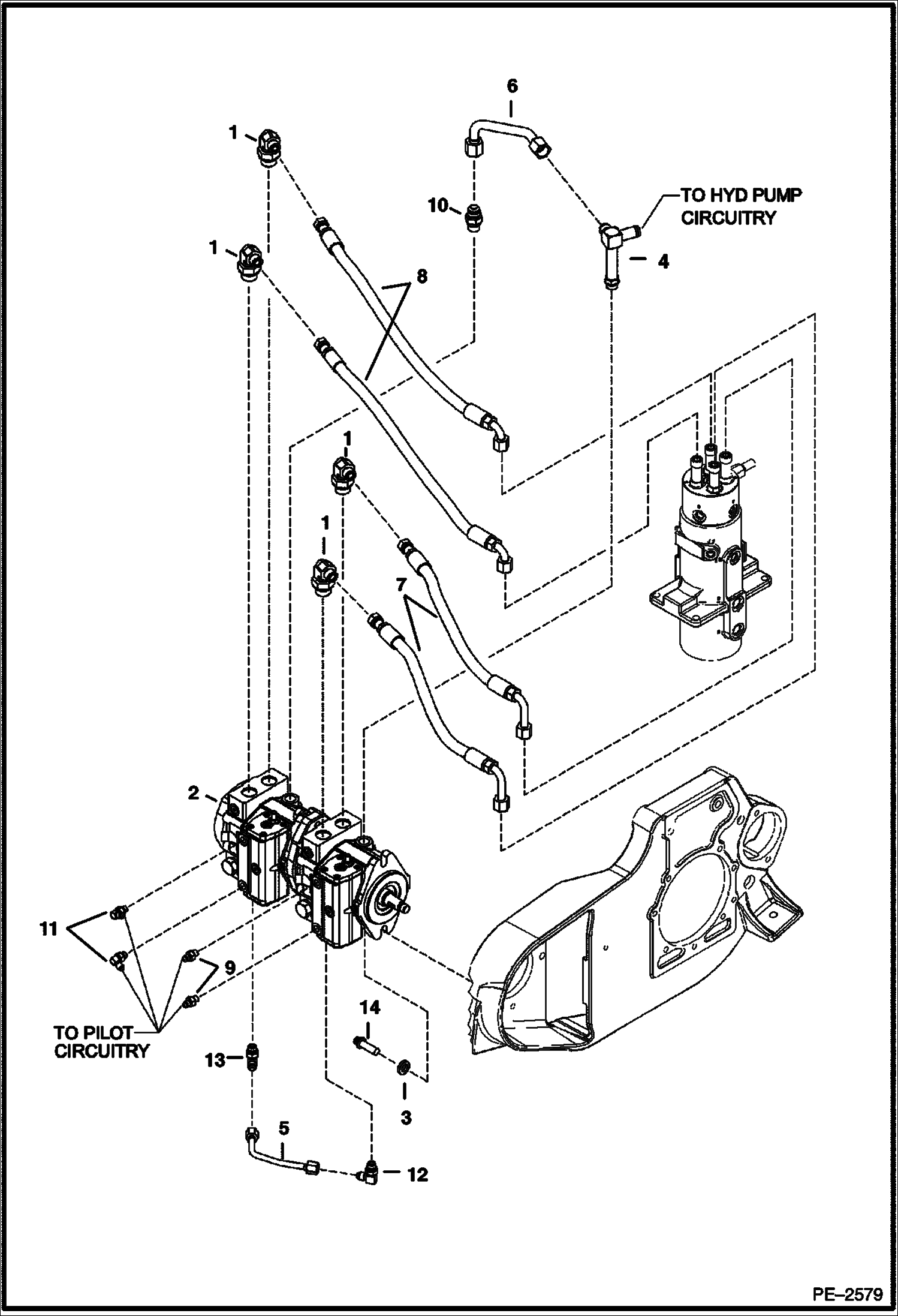
Запчасти Bobcat 430 HYDROSTATIC CIRCUITRY (Hydrostatic Pump) HYDRAULIC/HYDROSTATIC SYSTEM

Схема запчастей Bobcat 430 - HYDROSTATIC CIRCUITRY (Hydrostatic Pump) HYDRAULIC/HYDROSTATIC SYSTEM
FIT
1:1
100%

Артикул

Название

Примечание

Количество

1

6682988

ELBOW

1

79K12

O RING 10

1

55K14

O-RING face seal

2

6689757

PUMP, HYD TANDEM See Illustration HYDROSTATIC PUMP/ B26153 Was 6686480 - A

3

6701097

WASHER

4

6811697

TEE

5

6813390

TUBE

6

6815004

TUBE

7

6812552

HOSE

8

6812553

HOSE

9

15KB0404

FTG HYD S Connector

9

79K4

O RING 10

10

15KB1008

FITTING, HYD CONNECTOR

10

79K8

O RING 10

11

17KB0404

FTG HYD ELBOW 90

11

79K4

O RING 10

12

19KB0606

TEE straight - flare

12

6725182

TEE branch - boss

12

79K6

O RING 10

13

17KB0606

FITTING

13

79K6

O RING 10

14

93G824

BOLT

Выбрано товаров: 22