Запчасти Bobcat 430 HYDROSTATIC PUMP (Port Plate Rear Pump) HYDRAULIC/HYDROSTATIC SYSTEM

Схема запчастей Bobcat 430 - HYDROSTATIC PUMP (Port Plate Rear Pump) HYDRAULIC/HYDROSTATIC SYSTEM
FIT
1:1
100%

Артикул

Название

Примечание

Количество

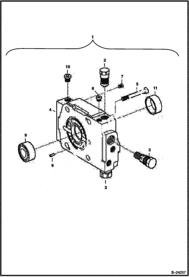
1

6685428

PLATE assy

2

VALVE NLA - relief assy not set - Order 6690943 - Was 6685411 - A

2

6690943

VALVE, RELIEF preset to 350 bar

3

6685423

VALVE relief assy

4

BLOCK NSS - order Ref. 1

5

6685413

SCREW

6

6682919

PIN

7

PIN NLA - order Ref. 1

8

6682960

SCREW assy

9

6685414

BEARING

10

6682876

PLUG

Выбрано товаров: 11