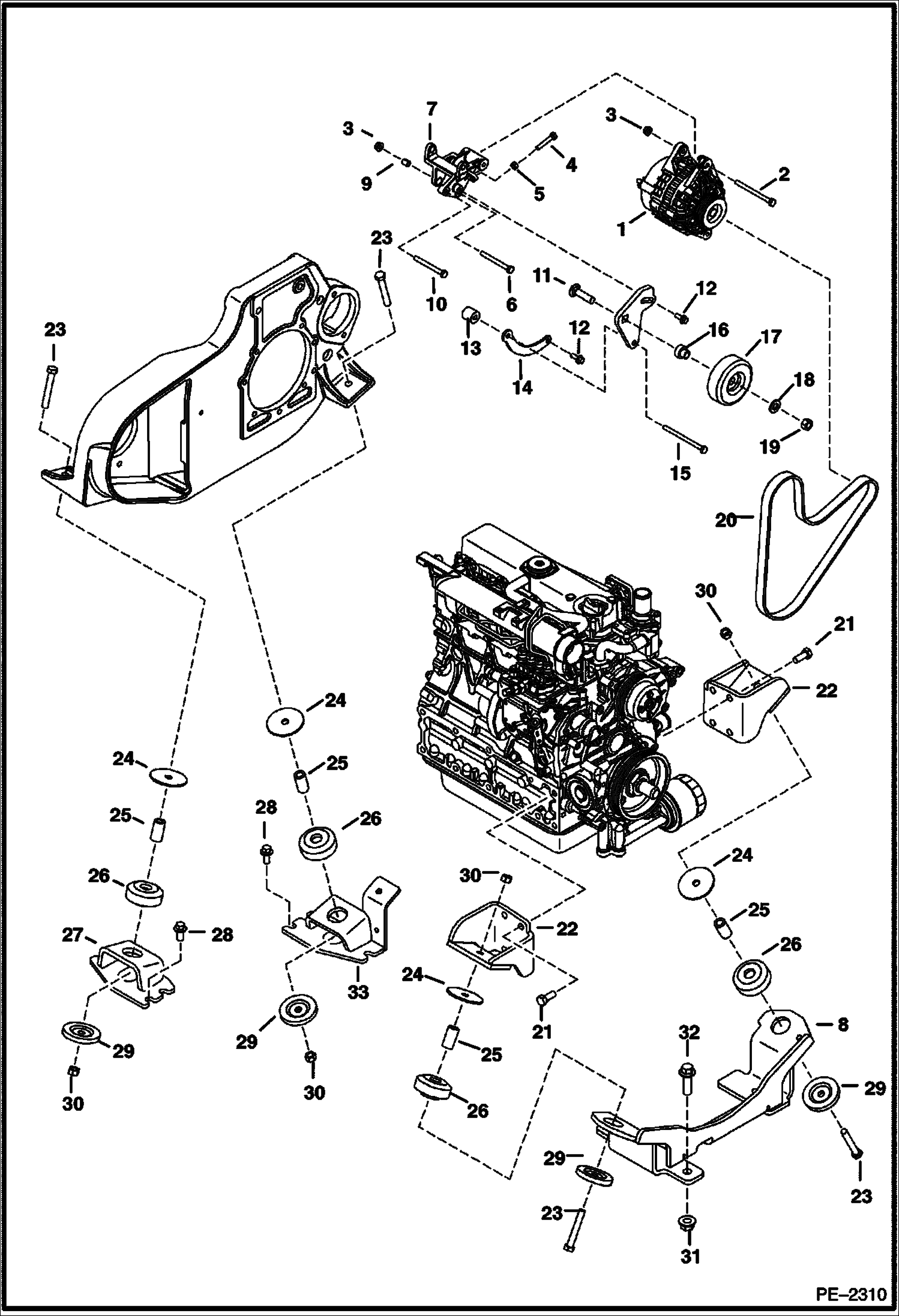
Запчасти Bobcat 430 ENGINE & ATTACHING PARTS (Engine Mounts) (S/N 563012000 & Below) POWER UNIT

Схема запчастей Bobcat 430 - ENGINE & ATTACHING PARTS (Engine Mounts) (S/N 563012000 & Below) POWER UNIT
FIT
1:1
100%

Артикул

Название

Примечание

Количество

1

6681857

ALTERNATOR See Illustration ALTERNATOR/ B22386

2

1CM8110

HEX CAP S Was 1CM08100B - A

3

51DM8

NUT

4

4CM845

BOLT

5

4DM8

NUT

6

1CM880

BOLT

7

7103231

BRACKET

8

MOUNT See Illustration ENGINE MOUNT KIT/ PE2859 NLA - Order 7121998 kit - Was 6811432 - A

9

6675838

BUSHING

10

1CM885

BOLT

11

10C832

BOLT Was 37C832 - D

12

29CM820

SCREW

13

6814861

SPACER

14

6814859

TENSIONER

15

1CM8110

HEX CAP S

16

6814860

SPACER

17

6681942

IDLER

18

25E21

WASHER 5

19

95D8

NUT

20

6815019

BELT

21

6719828

BOLT

22

6814278

MOUNT

23

1CM1280

BOLT

24

6705106

WASHER

25

6706043

SPACER tube

26

6668104

MOUNT, ENG

27

MOUNT See Illustration ENGINE MOUNT KIT/ PE2859 NLA - Order 7121998 kit - Was 6812576 - A

28

59CM1225

SCREW

29

6661787

WASHER snubbing

30

53DM12

NUT

31

51DM16

NUT

32

29CM1650

BOLT

33

MOUNT See Illustration ENGINE MOUNT KIT/ PE2859 NLA - Order 7121998 kit - Was 7102966 - A

Выбрано товаров: 33