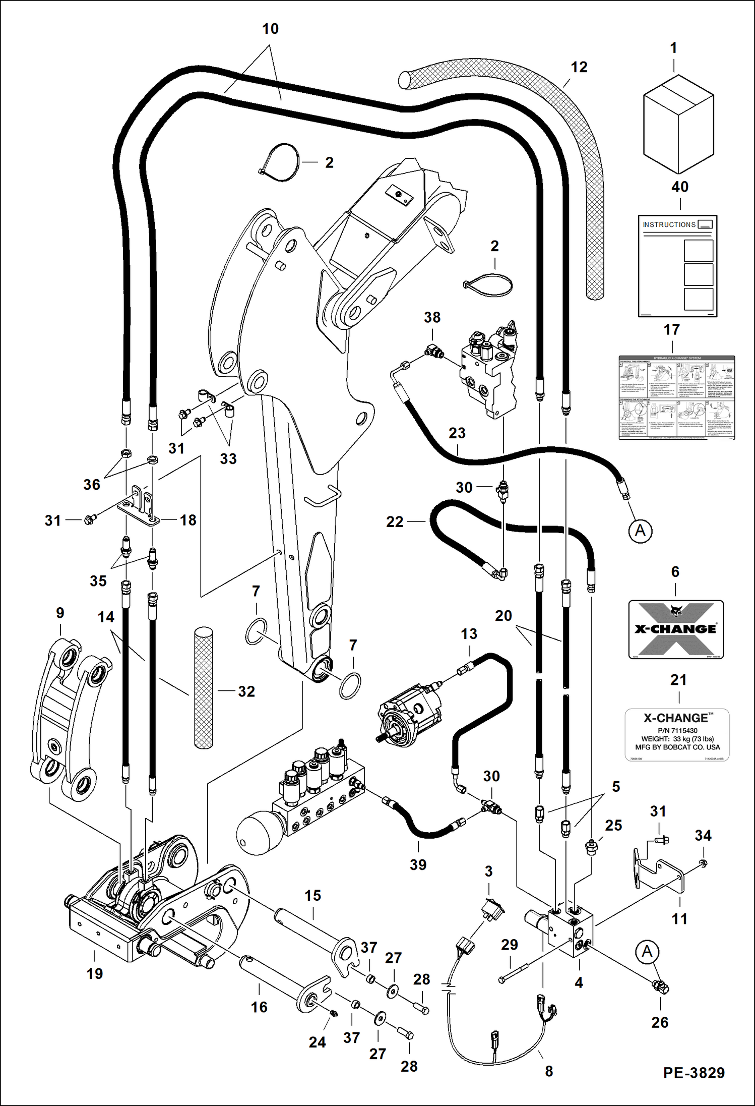
Запчасти Bobcat 430 X-CHANGE (Hydraulic) (Kit) (S/N 563014293 & Above) ACCESSORIES & OPTIONS

Схема запчастей Bobcat 430 - X-CHANGE (Hydraulic) (Kit) (S/N 563014293 & Above) ACCESSORIES & OPTIONS
FIT
1:1
100%

Артикул

Название

Примечание

Количество

1

7159042

KIT, X-CHANGE HYD SHORT ARM for standard arm - W/Ref. 2-40

1

7159043

KIT, X-CHANGE HYD LONG ARM for long arm - W/Ref. 2-40

2

6624289

STRAP, TIE

3

6688667

SWITCH

4

6688821

MANIFOLD See Illustration X-CHANGE/ MS1461

5

6732089

CONNECTOR

5

79K6

O RING 10

6

6803760

DECAL X-Change

7

6811260

O-RING

8

7113694

HARNESS

9

LINK ASSY See Illustration X-CHANGE/ PE3359

10

7115637

HOSE Use with standard arm

10

7140688

HOSE Use with long arm

11

7141705

BRACKET

12

7120119

GUARD

13

7125143

HOSE

14

7125345

HOSE

15

7130245

PIN

16

7134283

PIN

17

7134587

DECAL, X-CHANGE using X-Change

18

7138752

BRACKET

19

7139701

X-CHG SWIVEL See Illustration X-CHANGE/ PE3359

20

7142033

HOSE

21

7142034

DECAL X-Change

22

7142036

HOSE

23

7153113

HOSE, HYD ASSY

24

10H25

FITTING, GREASE 5

25

15KB0408

FITTING, HYD CONNECTOR

25

79K8

O RING 10

26

17KB0406

FITTING, HYD ELBOW

26

79K6

O RING 10

27

17EM120

WASHER

28

1CM1235

BOLT

29

1CM880

BOLT

30

21KB0406

FTG HYD STRAIGHT TEE

30

79K6

O RING 10

31

26GM10020

BOLT

32

7161761

GUARD, FABRIC

33

30H35

CLAMP 10

34

43DM8

NUT

35

45K5

FITTING

36

86F5

NUT

37

6503451

SPACER

38

7124150

ELBOW

39

7158419

HOSE, HYD ASSY

40

6986540

INSTRUCTIONS

Выбрано товаров: 46