Запчасти Bobcat 430 HYDROSTATIC CIRCUITRY (Hydrostatic Pump) HYDRAULIC/HYDROSTATIC SYSTEM

Схема запчастей Bobcat 430 - HYDROSTATIC CIRCUITRY (Hydrostatic Pump) HYDRAULIC/HYDROSTATIC SYSTEM
FIT
1:1
100%

Артикул

Название

Примечание

Количество

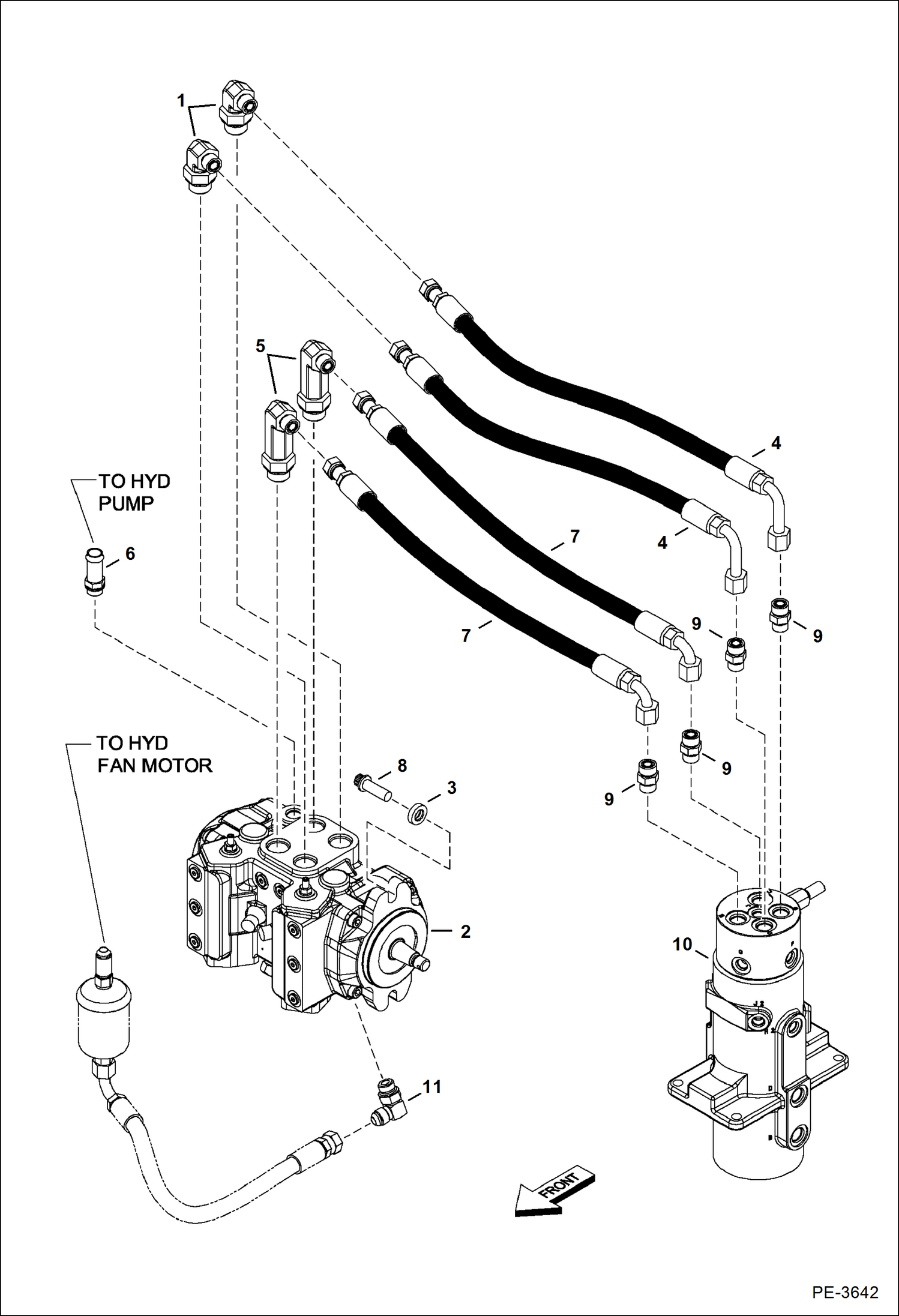
1

6682988

ELBOW

1

79K12

O RING 10

1

55K14

O-RING face seal

2

6697969

PUMP, HYD ASSY See Illustration HYDROSTATIC PUMP/ MS2659

3

6701097

WASHER

4

6812552

HOSE

5

7149235

ADAPTER, ELBOW

5

79K12

O RING 10

5

55K14

O-RING face seal

6

7155772

CONNECTOR, TUBE BEAD

6

79K8

O RING 10

7

7161792

HOSE, HYD ASSY Was 7159246 - A

8

93G824

BOLT

9

6682986

ADAPTOR

9

79K8

O RING 10

9

58K014

O-RING 10 face seal

10

6811778

SWIVEL See Illustration SWIVEL ASSY/ PE1906

11

ELBOW See Illustration HYDRAULIC/HYDROSTATIC CIRCUITRY/ PE3636

Выбрано товаров: 18