Качественные детали и логистика
Оригинальные и аналоговые запчасти с доставкой по России, Казахстану и Беларуси
©2022 PartSell ООО "Система" ИНН 2463123282 ОГРН 1212400004838
Центральный офис: г. Красноярск, Академика Киренского, д.87, пом.4
Телефон: 8 (800) 777-65-74 Email: zakaz@partsell.ru
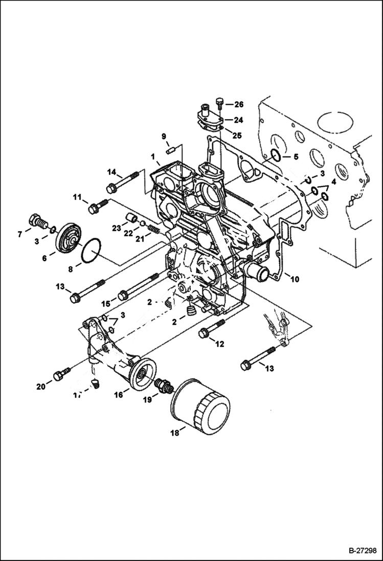
GEARCASE (S/N E/ 9FZ999 & Below)
№
Артикул
Название
Примечание
Количество
1
6698263
HOUSING, GEAR FRT W/Ref. 2 - Was 6698433 - A
2
6672360
PLUG
3
6685466
O-RING
4
6685467
5
6685468
6
6684766
COVER
7
6684768
BOLT
8
6684769
9
3974395
PIN straight
10
6684770
GASKET gear case
11
6680706
12
6692375
13
6692377
14
6680686
15
6692376
16
6685082
BASE, FILTER W/Ref. 17
17
18
6675517
FILTER, OIL ENG 12
19
6653809
CONNECTOR oil filter
20
6960963
21
6652652
SPRING
22
10J13
BALL Was 6969574 - A
23
3974893
SEAT valve
24
3974894
FLANGE water return
25
6666803
GASKET water return flange
26
1CM620
BOLT Was 4CM620 - A
Выбрано товаров: 0