Качественные детали и логистика
Оригинальные и аналоговые запчасти с доставкой по России, Казахстану и Беларуси
©2022 PartSell ООО "Система" ИНН 2463123282 ОГРН 1212400004838
Центральный офис: г. Красноярск, Академика Киренского, д.87, пом.4
Телефон: 8 (800) 777-65-74 Email: zakaz@partsell.ru
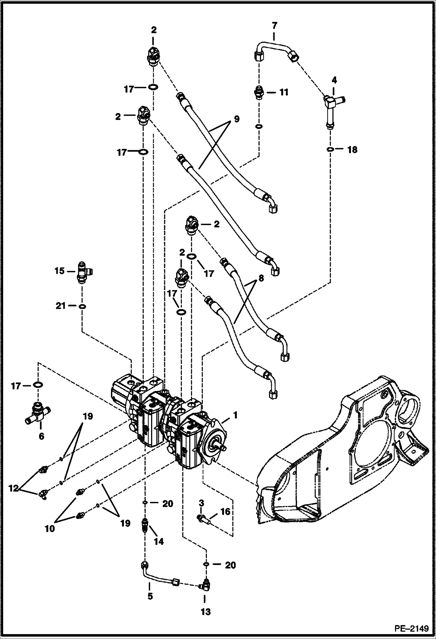
HYDROSTATIC CIRCUITRY (Hydrostatic Pump)
№
Артикул
Название
Примечание
Количество
1
6679754
PUMP See Illustration HYDROSTATIC PUMP/ PE2629
2
6682988
ELBOW W/Ref. 17
58K014
O-RING 10 face seal
3
6701097
WASHER
4
6811697
TEE W/Ref. 18
5
6813390
TUBE
6
6814420
FITTING W/Ref. 17
7
6815004
8
6815434
HOSE
9
6815435
10
15KB0404
FTG HYD S Connector W/Ref. 19
11
15KB1008
FITTING, HYD CONNECTOR
12
17KB0404
FTG HYD ELBOW 90
13
17KB0606
FITTING W/Ref. 20
14
19KB0606
TEE W/Ref. 20
15
21KB1010
FITTING, HYD TEE W/Ref. 21
16
93G824
BOLT
17
79K12
O RING 10
18
79K8
19
79K4
20
79K6
21
79K10
Выбрано товаров: 0