Запчасти Bobcat 435 HYDRAULIC PISTON PUMP HYDRAULIC/HYDROSTATIC SYSTEM

Схема запчастей Bobcat 435 - HYDRAULIC PISTON PUMP HYDRAULIC/HYDROSTATIC SYSTEM
FIT
1:1
100%

Артикул

Название

Примечание

Количество

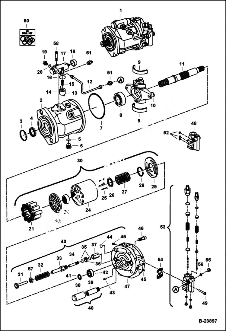
1

6682414

PUMP Ref. 2 - 49

2

HOUSING NSS - order Ref. 1

3

6691458

RING Was 6686754 - D

4

6672231

SEAL Was 6686751 - A

5

6671787

O-RING

6

6686757

PLUG W/Ref. 5

7

6686752

O-RING

8

6672228

BEARING Was 6686749 - A

9

DISK NSS - order Ref. 1

10

6672224

CRADLE ASSY Was 6686746 - A

11

6686747

SHAFT DRIVE

12

6686776

PIPE includes fittings

13

6676393

PIN Was 6686773 - A

14

6676391

CARRIER Was 6686769 - A

15

6686771

SCREW, SOCKET

16

6686770

O-RING

17

6686768

VALVE does not include spring seat - Also Order 6679148 spring & 6679149 spring

17

6679148

SPRING

17

6679149

SPRING

17

6691344

O-RING

18

6686775

CAP, INSULATION

19

6686767

PLUG

20

O-RING

21

PISTON NSS - order Ref. 30

22

PLATE NSS - order Ref. 30

23

RETAINER NSS - ball - order Ref. 30

24

BARREL NSS - order Ref. 30

25

PIN NSS - order Ref. 30

26

CLIP NSS - order Ref. 30

27

SPRING NSS - order Ref. 30

28

SNAP RING NSS - order Ref. 30

29

6672245

PLATE Was 6686761 - A

30

6672220

BLOCK ASSY Ref. 21 - 29 - Was 6686743 - A

31

PISTON NSS - order Ref. 40

32

SPRING NSS - order Ref. 40

33

GUIDE NSS - order Ref. 40

34

SCREW NSS - order Ref. 40

35

O-RING NSS - order Ref. 40

36

NUT NSS - order Ref. 40

37

NUT NSS - order Ref. 40

38

PISTON NSS - order Ref. 40

39

GUIDE NSS - order Ref. 40

40

6688520

CONTROL Ref. 21 - 39 - Was 6686744 - A

41

6691449

SHIM adjusting - Was 6686748 - D

42

6672229

BEARING Was 6686750 - A

43

6672235

DOWEL PIN Was 6686759 - A

44

O-RING NSS

45

PLUG NSS

46

SCREW, SOCKET NLA - Order 6692552 screw - Was 6686755 - A

47

6686745

PLATE

48

CONTROL See Illustration HYDRAULIC PISTON PUMP/ B15928 - Use W/ O-rings

48

6686767

PLUG goes in the X port - Was 6692557 - D

48

PLUG NSS - goes behind each spool - metric (70 or 90 durometer)

49

6672255

BOLT Was 6686766 - D

50

6686695

SEAL KIT W/Refs. 4, 5, 7, 16, 20, 44 & Refs. 3, 6, 10, 11 & 12

51

6686777

FITTING Was 6688563 - A

52

6686765

O-RING

53

7001950

CONTROL Use W/gasket - must replace gasket each time controller is removed

54

6691519

GASKET one time use - must replace when controller is removed

55

6691491

PLUG W/Ref. 56

56

O-RING NLA - Order Ref. 55

57

O-RING NSS

58

6692558

SCREW

Выбрано товаров: 63