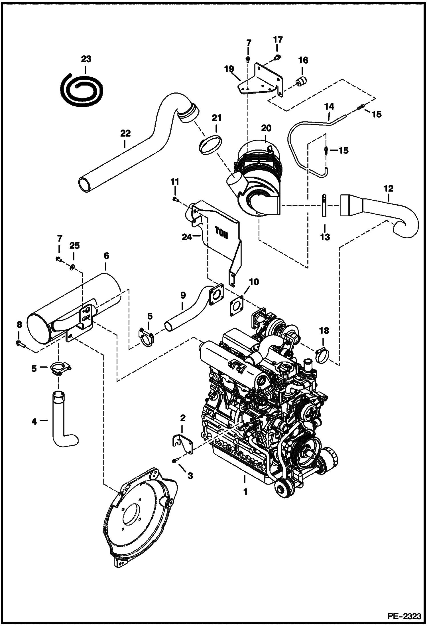
Запчасти Bobcat 435 ENGINE & ATTACHING PARTS (Air Cleaner, Muffler) POWER UNIT

Схема запчастей Bobcat 435 - ENGINE & ATTACHING PARTS (Air Cleaner, Muffler) POWER UNIT
FIT
1:1
100%

Артикул

Название

Примечание

Количество

1

ENGINE See Illustration ENGINE & GASKET KITS/ NA1524 See BTI388ldr - V2003-M-DI-TEB-BC-1 - Was 6682469 - A

1

ENGINE, V2003-M-DI-TE2B-BC-1 See Illustration ENGINE & GASKET KITS/ NA1524A See BTI388ldr - Was 6685050 - A

2

6814273

BRACKET throttle

3

29CM620

SCREW

4

7000323

PIPE, TUBE EXHAUST Was 7140376 - A

5

6677363

CLAMP, FULL CIRCLE

6

6682482

MUFFLER, EXHAUST part number stamped on bottom of muffler

6

MUFFLER NLA - part number stamped on bottom of muffler - Order 7000320 muffler & 7000323 pipe - Was 6685647 - A

6

7000320

MUFFLER, EXHAUST Was 7171577 - A

7

29CM816

SCREW

8

29CM1020

BOLT

9

6814127

PIPE See BTI388ldr

10

6727753

GASKET

11

6701123

SCREW

12

6815876

HOSE

13

42HC350

CLAMP

14

TUBE NLA - use 24 in. (610 mm) long of Ref. 23

15

6505813

CONNECTOR

16

6515007

GAUGE

17

26GM10020

BOLT

18

42HC250

CLAMP

19

6814640

BRACKET

20

6681860

FILTER air - assy

20

6666375

FILTER, AIR OUTER

20

6666376

FILTER, AIR INNER

21

42H56

CLAMP

22

6815875

HOSE

23

6657720

TUBE bulk - sold per foot

24

COVER NLA - exhaust - Order 7127717 - Was 6817624 - A

24

7127717

COVER EXHAUST exhaust

25

17EM80

WASHER plain - Was 27E000005B - B

Выбрано товаров: 31