Качественные детали и логистика
Оригинальные и аналоговые запчасти с доставкой по России, Казахстану и Беларуси
©2022 PartSell ООО "Система" ИНН 2463123282 ОГРН 1212400004838
Центральный офис: г. Красноярск, Академика Киренского, д.87, пом.4
Телефон: 8 (800) 777-65-74 Email: zakaz@partsell.ru
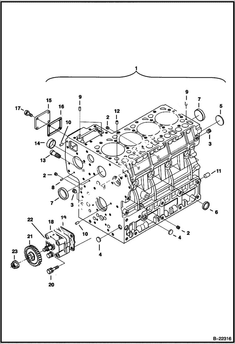
CRANKCASE (S/N 562611001 & Above)
№
Артикул
Название
Примечание
Количество
1
6684750
CRANKCASE W/Ref. 2 - 14
2
6652574
PLUG Was 6598169 - A
3
6598170
PLUG
4
6667418
PLUG expansion
5
4FM45
6
3974389
CAP, SEALING sealing
7
3974390
PLUG Was 6680639 - A
8
3974393
PIN straight
9
3974394
PIN
10
3974395
11
3974868
12
3974037
PIN Was 6680643 - A
13
6653791
PIPE water return
14
3975169
CAP sealing
15
6684751
COVER injection pump
16
6666783
GASKET Was 6684752 - A
17
1CM616
SCREW Was 4CM616 - A
18
6692380
OIL PUMP assy - oil - Was 6682498 - D
19
6666782
GASKET oil pump - Was 6684786 - A
20
6670770
BOLT
21
3975441
GEAR, CAMSHAFT
22
6652794
KEY feather
23
6653888
NUT flange
Выбрано товаров: 0