Качественные детали и логистика
Оригинальные и аналоговые запчасти с доставкой по России, Казахстану и Беларуси
©2022 PartSell ООО "Система" ИНН 2463123282 ОГРН 1212400004838
Центральный офис: г. Красноярск, Академика Киренского, д.87, пом.4
Телефон: 8 (800) 777-65-74 Email: zakaz@partsell.ru
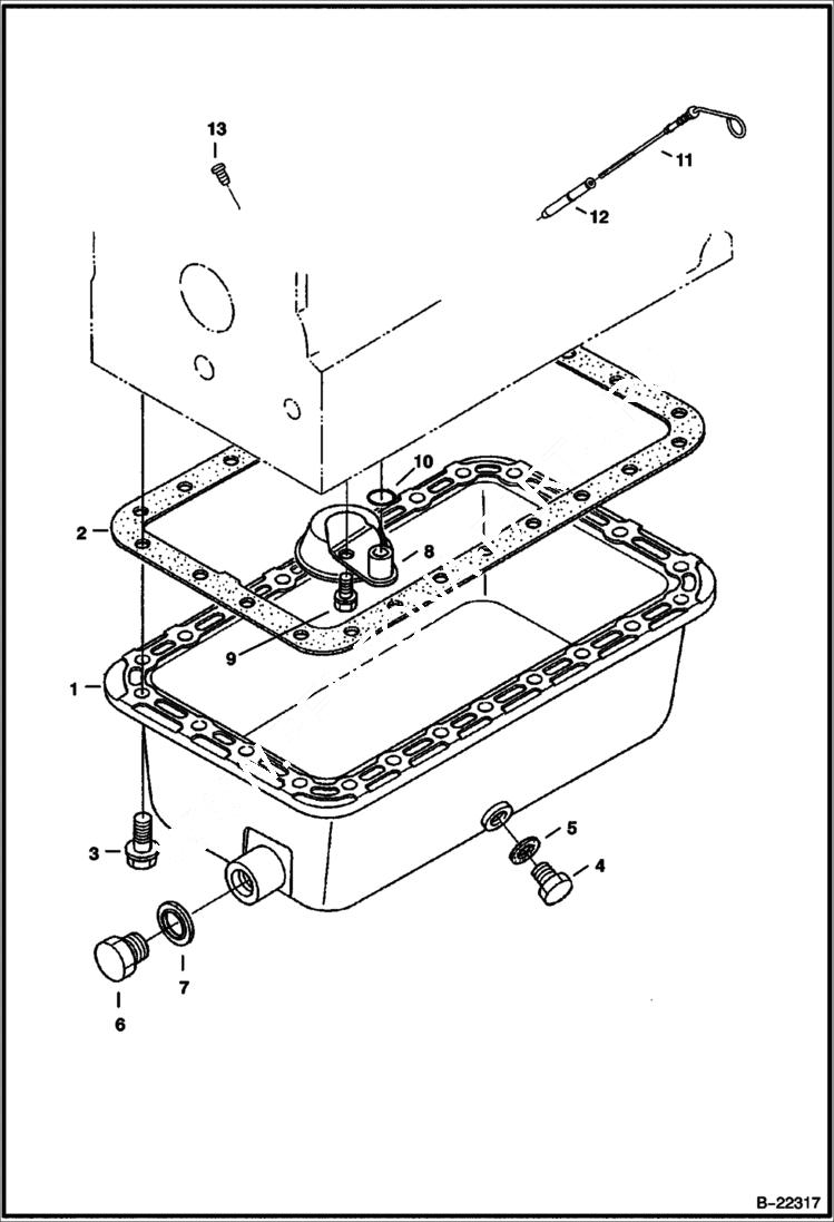
OIL PAN (S/N 562611001 & Above)
№
Артикул
Название
Примечание
Количество
1
6655151
PAN, OIL
2
6666817
GASKET oil pan - Was 6684753 - A
3
6653798
BOLT flange
4
6640729
PLUG
5
6680484
GASKET
6
3390195
7
6631046
SEAL w/rubber
8
6655194
SCREEN, OIL oil - Was 6653568 - A
9
6667420
BOLT
10
6684754
O-RING
11
6677202
DIPSTICK, OIL ENG oil - long - use W/guide - A
12
6677203
TUBE,DIPSTICK oil gauge - Was 6681644 - A
13
6969804
PLUG,OIL GAUGE Was 6684785 - A
Выбрано товаров: 0