Качественные детали и логистика
Оригинальные и аналоговые запчасти с доставкой по России, Казахстану и Беларуси
©2022 PartSell ООО "Система" ИНН 2463123282 ОГРН 1212400004838
Центральный офис: г. Красноярск, Академика Киренского, д.87, пом.4
Телефон: 8 (800) 777-65-74 Email: zakaz@partsell.ru
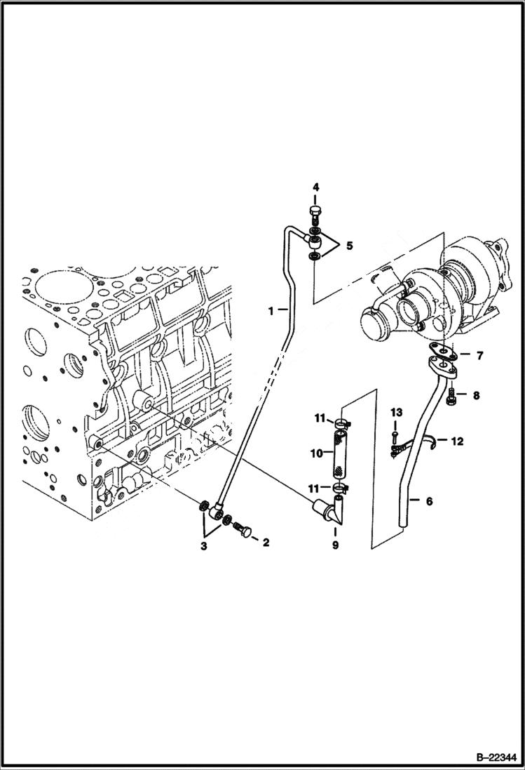
OIL PIPE (S/N 562611001 & Above)
№
Артикул
Название
Примечание
Количество
1
6682538
PIPE oil
2
7022765
BOLT, EYE Was 6680791 - A
3
3974095
MET-GASK copper - Was 6680792 - A
4
6675625
BOLT, EYE JOINT Was 6680566 - A
5
7000642
WASHER, SEALING COPPER consists of 2 gaskets attached by a tab - Was 6685962 - B
6
6682539
7
6680570
GASKET
8
6652580
BOLT
9
6684884
10
6680572
11
6675618
CLAMP hose
12
6685601
CLAMP pipe - Was 6675621 - A
13
6680576
PIN
Выбрано товаров: 0