Запчасти Bobcat 435 OIL COOLER (S/N 562611001 & Above) POWER UNIT

Схема запчастей Bobcat 435 - OIL COOLER (S/N 562611001 & Above) POWER UNIT
FIT
1:1
100%

Артикул

Название

Примечание

Количество

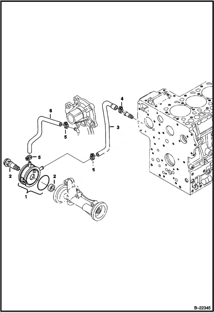
1

6684885

OIL COOLER assy

2

6684886

CONNECTOR

2

6685637

COLLAR Was 6684887 - A

3

6684888

HOSE oil cooler

4

6684889

CLAMP hose

5

6680580

CLAMP pipe

6

6684890

HOSE

Выбрано товаров: 7