Качественные детали и логистика
Оригинальные и аналоговые запчасти с доставкой по России, Казахстану и Беларуси
©2022 PartSell ООО "Система" ИНН 2463123282 ОГРН 1212400004838
Центральный офис: г. Красноярск, Академика Киренского, д.87, пом.4
Телефон: 8 (800) 777-65-74 Email: zakaz@partsell.ru
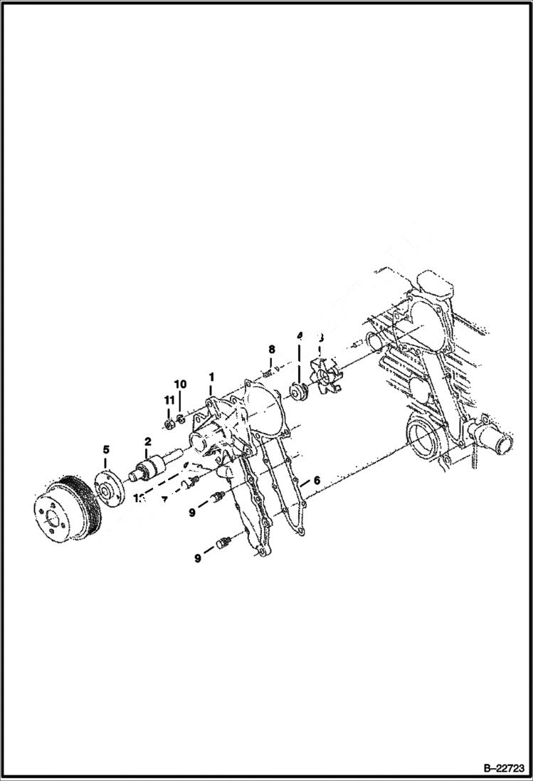
WATER PUMP (S/N 562811001 & Above)
№
Артикул
Название
Примечание
Количество
1
6684865
PUMP, WATER assy - W/Ref. 2-5 & 12
PUMP NLA - order assembly - Was 6684866 - A
2
3974991
BEARING
3
6667460
IMPELLER fan - Was 6684867 - A
4
6684868
SEAL fan
5
6684869
FLANGE
6
6684870
GASKET
7
4CM828
BOLT
8
3974267
STUD Was 6653946 - A
9
1CM616
SCREW
10
6667422
WASHER spring
11
6652792
NUT
12
6670785
PIPE
Выбрано товаров: 0