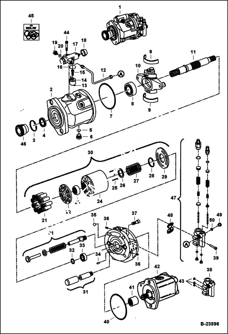
Запчасти Bobcat 435 HYDRAULIC PISTON PUMP HYDRAULIC SYSTEM

Схема запчастей Bobcat 435 - HYDRAULIC PISTON PUMP HYDRAULIC SYSTEM
FIT
1:1
100%

Артикул

Название

Примечание

Количество

1

7001430

PUMP, HYD - assy - W/gear pump - Was 6685694 - A

2

HOUSING NSS - order Ref. 1

3

6691458

RING Was 6686754 - D

4

6672231

SEAL Was 6686751 - A

5

6686757

PLUG W/Ref. 6

6

6671787

O-RING

7

6686752

O-RING

8

6672228

BEARING Was 6686749 - A

9

BEARING NSS - order Ref. 1

10

6672224

CRADLE ASSY Was 6686746 - A

11

6688517

SHAFT Was 6686747 - B

12

6686776

PIPE includes fittings

13

6676393

PIN Was 6686773 - A

14

6676391

CARRIER Was 6686769 - A

15

6686771

SCREW, SOCKET

16

6686770

O-RING

17

6686768

VALVE does not include spring seat - Also Order 6679148 spring & 6679149 spring

17

6679148

SPRING

17

6679149

SPRING

17

6691344

O-RING

18

6686775

CAP, INSULATION

19

6686767

PLUG

20

O-RING

21

PISTON NSS - order Ref. 30

22

PLATE NSS - order Ref. 30

23

RETAINER NSS - ball - order Ref. 30

24

BARREL NSS - order Ref. 30

25

PIN NSS - order Ref. 30

26

CLIP NSS - order Ref. 30

27

SPRING NSS - order Ref. 30

28

SNAP RING NSS - order Ref. 30

29

6672245

PLATE Was 6686761 - A

30

6688519

ROTATING Ref. 21 - 29

31

6688520

CONTROL Was 6686744 - A

32

6691449

SHIM adjusting - Was 6686748 - D

33

6672229

BEARING Was 6686750 - A

34

6672235

DOWEL PIN Was 6686759 - A

35

O-RING NSS

36

PLUG NSS

37

SCREW, SOCKET NLA - Order 6692552 screw - Was 6686755 - A

38

CONTROL See Illustration HYDRAULIC PISTON PUMP/ B15928 - Use W/ O-rings

38

6686767

PLUG goes in the X port - Was 6692557 - D

38

PLUG NSS - goes behind each spool - metric (70 or 90 durometer)

39

6672255

BOLT Was 6686766 - D

40

6688920

ORING

41

6688921

COUPLING

42

6688093

PUMP See Illustration GEAR PUMP/ MS2060

43

6686765

O-RING

44

6692558

SCREW

45

6686695

SEAL KIT seal does not include Ref. 40

46

COUPLER See Illustration HYDRAULIC CIRCUITRY/ PE2287

47

7001950

CONTROL Use W/gasket - must replace gasket each time controller is removed

48

6691519

GASKET one time use - must replace when controller is removed

49

6691491

PLUG W/Ref. 50

50

O-RING NLA - Order Ref. 49

Выбрано товаров: 55