Запчасти Bobcat 435 ENGINE & ATTACHING PARTS (Starter & Alternator) POWER UNIT

Схема запчастей Bobcat 435 - ENGINE & ATTACHING PARTS (Starter & Alternator) POWER UNIT
FIT
1:1
100%

Артикул

Название

Примечание

Количество

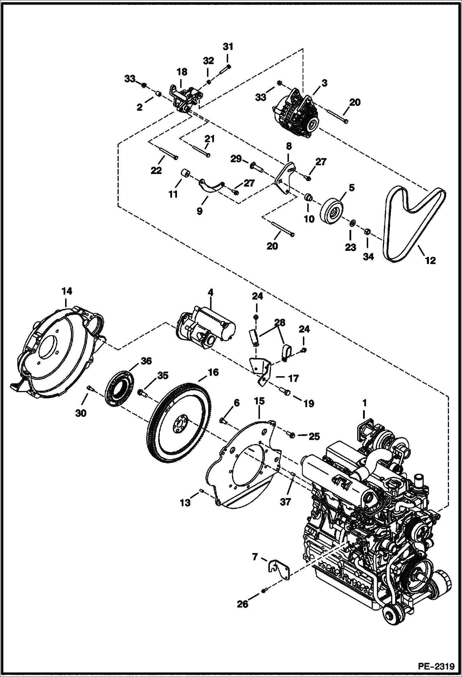
1

ENGINE V2003TMDI See Illustration ENGINE & GASKET KITS/ NA1524 See BTI388ldr - Was 6685050 - A

2

6675838

BUSHING

3

6681857

ALTERNATOR See Illustration ALTERNATOR/ B22386

4

6681858

STARTER

5

6681942

IDLER

6

6733378

SCREW

7

6814273

BRACKET

8

6814848

PLATE

9

6814859

TENSIONER

10

6814860

SPACER

11

6814861

SPACER

12

6815019

BELT Use W/O A/C

12

6815018

BELT Use W/ A/C

13

7101341

PIN

14

7121429

HOUSING MACH Was 7101784 - A

15

PLATE NLA - Order 7126963 plate - Also Order Ref. 37 - Was 7101787 - A

15

7126963

PLATE, FLYWHEEL

16

7158136

FLYWHEEL, ENG ASSY See BTI388exc - Was 7102172 - A

16

6510470

RING GEAR

17

7102964

BUCKET

18

7103231

BRACKET

19

1CM1235

BOLT

20

1CM8110

HEX CAP S

21

1CM880

BOLT

22

1CM885

BOLT

23

25E21

WASHER 5

24

26GM8016

SCREW

25

29CM1025

BOLT

26

29CM620

SCREW

27

29CM820

SCREW

28

31H42

CLIP

29

10C832

BOLT Was 37C832 - D

30

3GM820

SCREW

31

4CM845

BOLT

32

4DM8

NUT

33

51DM8

NUT

34

95D8

NUT

35

6598275

BOLT Was 6652487 - A

36

6670757

COUPLER

37

20JM1025

DOWEL PIN Use W/ 7126963 plate

Выбрано товаров: 40