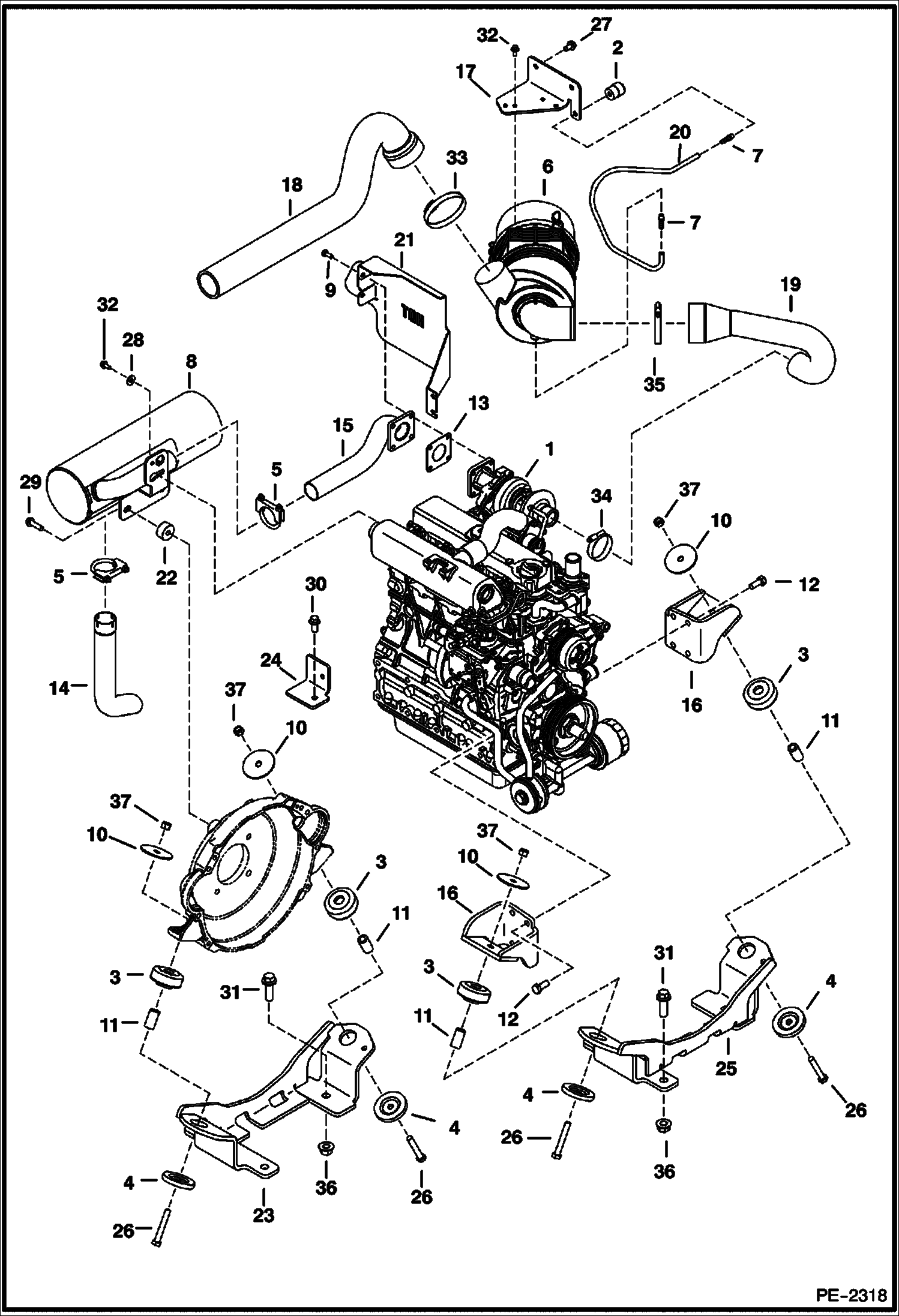
Запчасти Bobcat 435 ENGINE & ATTACHING PARTS (Air Cleaner, Muffler, Engine Mounts) (S/N 563112001 & Below) POWER UNIT

Схема запчастей Bobcat 435 - ENGINE & ATTACHING PARTS (Air Cleaner, Muffler, Engine Mounts) (S/N 563112001 & Below) POWER UNIT
FIT
1:1
100%

Артикул

Название

Примечание

Количество

1

ENGINE V2003TMDI See Illustration ENGINE & GASKET KITS/ NA1524 See BTI388ldr - Was 6685050 - A

2

6515007

GAUGE

3

6661785

MOUNT, ENG

4

6661787

WASHER

5

6677363

CLAMP, FULL CIRCLE

6

6681860

FILTER

6

6666376

FILTER, AIR INNER

6

6666375

FILTER, AIR OUTER

7

6505813

CONNECTOR

8

MUFFLER NLA - Order 7000320 muffler & 7000323 pipe - Was 6685647 - A

8

7000320

MUFFLER, EXHAUST Was 7171577 - A

9

6701123

SCREW

10

6705106

WASHER mount

11

6706043

SPACER

12

6719828

BOLT

13

6727753

GASKET

14

7000323

PIPE, TUBE EXHAUST Was 7140376 - A

15

6814127

PIPE

16

6814278

MOUNT

17

6814640

BRACKET

18

6815875

HOSE

19

6815876

HOSE

20

HOSE NLA - Order 24'' (585,6 mm) of 6557720 bulk hose - Was 6817554 - D

21

COVER NLA - exhaust - Order 7127717 - Was 6817624 - A

21

7127717

COVER EXHAUST exhaust

22

7101016

SPACER

23

MOUNT See Illustration ENGINE MOUNT KIT/ PE2861 NLA - Order 7121997 kit

24

7102959

BRACKET

25

MOUNT See Illustration ENGINE MOUNT KIT/ PE2861 NLA - Order 7121997 kit

26

1CM1280

BOLT

27

26GM10020

BOLT

28

17EM80

WASHER plain - Was 27E000005B - B

29

29CM1035

SCREW

30

29CM1225

BOLT

31

29CM1650

BOLT

32

29CM816

SCREW

33

42H56

CLAMP

34

42HC250

CLAMP

35

42HC350

CLAMP

36

51DM16

NUT

37

53DM12

NUT

Выбрано товаров: 41