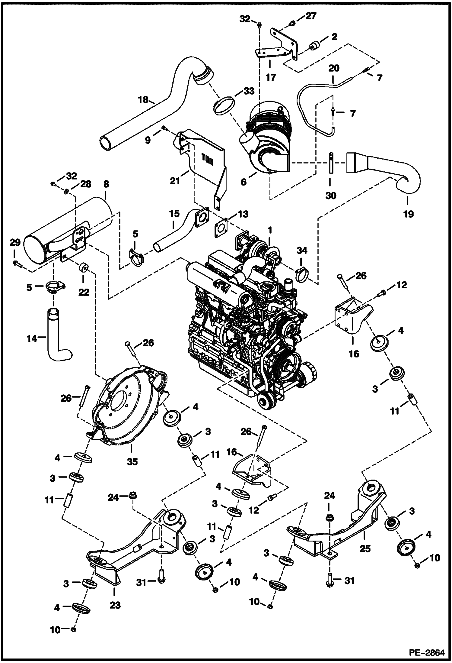
Запчасти Bobcat 435 ENGINE & ATTACHING PARTS (Air Cleaner, Muffler, Engine Mounts) (S/N 563112002 & Above) POWER UNIT

Схема запчастей Bobcat 435 - ENGINE & ATTACHING PARTS (Air Cleaner, Muffler, Engine Mounts) (S/N 563112002 & Above) POWER UNIT
FIT
1:1
100%

Артикул

Название

Примечание

Количество

1

ENGINE V2003TMDI See Illustration ENGINE & GASKET KITS/ NA1524 See BTI388ldr - Was 6685050 - A

2

6515007

GAUGE

3

6688994

MOUNT

4

7116851

CUP

5

6677363

CLAMP, FULL CIRCLE

6

6681860

FILTER

6

6666376

FILTER, AIR INNER

6

6666375

FILTER, AIR OUTER

7

6505813

CONNECTOR

8

MUFFLER NLA - Order 7000320 muffler & 7000323 pipe - Was 6685647 - A

8

7000320

MUFFLER, EXHAUST Was 7171577 - A

9

6701123

SCREW

10

53DM12

NUT

11

7116850

SPACER

12

6719828

BOLT

13

6727753

GASKET

14

7000323

PIPE, TUBE EXHAUST Was 7140376 - A

15

6814127

PIPE

16

6814278

MOUNT

17

6814640

BRACKET

18

6815875

HOSE

19

6815876

HOSE

20

HOSE NLA - Order 24'' (585,6 mm) of 6557720 bulk hose - Was 6817554 - D

21

COVER NLA - exhaust - Order 7127717 - Was 6817624 - A

21

7127717

COVER EXHAUST exhaust

22

7101016

SPACER

23

7116844

MOUNT engine

24

51DM16

NUT

25

7116839

MOUNT W/A

26

7CM1290

SCREW

27

26GM10020

BOLT

28

17EM80

WASHER plain - Was 27E000005B - B

29

29CM1035

SCREW

30

42HC350

CLAMP

31

29CM1650

BOLT

32

29CM816

SCREW

33

42H56

CLAMP

34

42HC250

CLAMP

35

7121429

HOUSING MACH Was 7101784 - A

Выбрано товаров: 39