Запчасти Bobcat 435 MANIFOLD POWER UNIT

Схема запчастей Bobcat 435 - MANIFOLD POWER UNIT
FIT
1:1
100%

Артикул

Название

Примечание

Количество

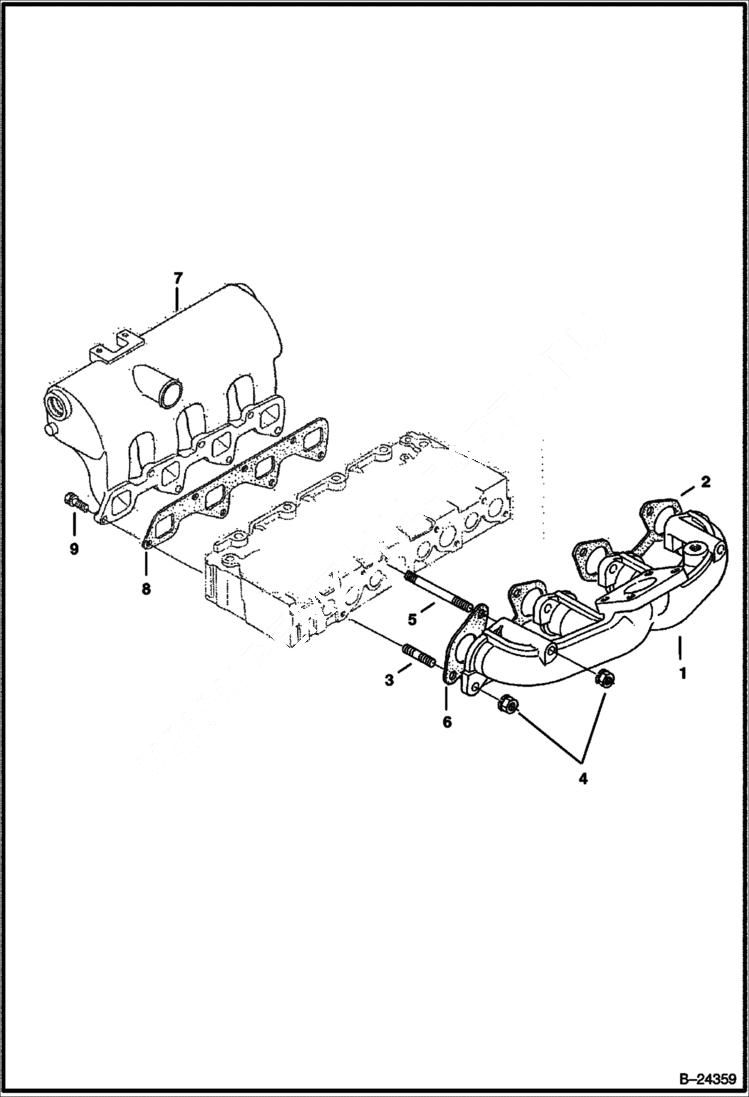
1

6684878

MANIFOLD exhaust

2

6688382

GASKET .060'' thick - 1 piece gasket replaces 2 pieces (6666791 & 6666781) - Was 6666791 - A

3

6652670

STUD Was 3974916B - A

4

6682532

NUT

5

6682533

STUD Was 6692388 - A

6

6688382

GASKET .060'' thick - 1 piece gasket replaces 2 pieces (6666791 & 6666781) - Was 6666781 - A

7

6684876

MANIFOLD inlet

8

6684877

GASKET

9

4CM822

BOLT

Выбрано товаров: 9