Качественные детали и логистика
Оригинальные и аналоговые запчасти с доставкой по России, Казахстану и Беларуси
©2022 PartSell ООО "Система" ИНН 2463123282 ОГРН 1212400004838
Центральный офис: г. Красноярск, Академика Киренского, д.87, пом.4
Телефон: 8 (800) 777-65-74 Email: zakaz@partsell.ru
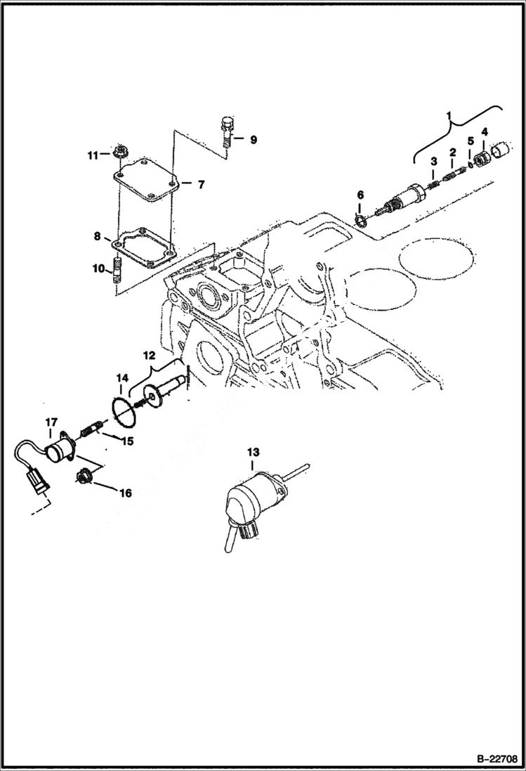
ENGINE STOP LEVER
№
Артикул
Название
Примечание
Количество
1
6684815
IDLING ASSY W/Ref. 2-5
2
6684816
BOLT, ADJUSTING assy
3
3974977
SPRING
4
6684817
NUT spring
5
6684891
SEAL
6
6684818
7
6685500
COVER
8
6684841
GASKET Was 6684824 - A
9
1CM616
SCREW Was 4CM616 - A
10
6683087
STUD
11
6670533
NUT flange - Was 6653561 - A
12
6684825
GUIDE, SOLENOID
13
SOLENOID NLA- fuel shutoff W/molded connector - Order Ref. 17 - Was 6684826 - A
14
6685465
O-RING
15
6652764
STUD Was 3974462B - A
16
6684827
NUT flange
17
6691498
SOLENOID, SHUTOFF FUEL 240 mm (9.45'') lead
Выбрано товаров: 0