Запчасти Bobcat 435 CRANKCASE POWER UNIT

Схема запчастей Bobcat 435 - CRANKCASE POWER UNIT
FIT
1:1
100%

Артикул

Название

Примечание

Количество

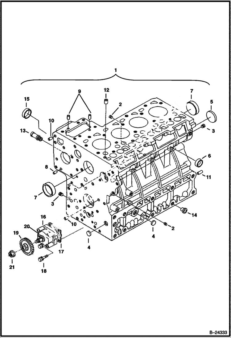
1

6684750

CRANKCASE W/Ref. 2-14

2

6652574

PLUG Was 6598169 - A

3

6598170

PLUG

4

6667418

PLUG

5

6657663

PLUG

6

3974389

CAP, SEALING

7

3974390

PLUG Was 6680639 - A

8

3974393

PIN straight

9

3974394

PIN

10

3974395

PIN

11

3974868

PIN

12

3974037

PIN Was 6680643 - A

13

3974677

PIPE water return - Was 3974447B - A

14

6598187

PLUG

15

3975169

CAP Was 3974169 - D

15

6670338

PLUG

16

6692380

OIL PUMP assy - oil - Was 6682498 - D

17

6666782

GASKET oil pump - Was 6684786 - A

18

6670770

BOLT

19

3975441

GEAR, CAMSHAFT

20

6652794

KEY

21

6653888

NUT flange - Was 6685088 - A

Выбрано товаров: 22