Качественные детали и логистика
Оригинальные и аналоговые запчасти с доставкой по России, Казахстану и Беларуси
©2022 PartSell ООО "Система" ИНН 2463123282 ОГРН 1212400004838
Центральный офис: г. Красноярск, Академика Киренского, д.87, пом.4
Телефон: 8 (800) 777-65-74 Email: zakaz@partsell.ru
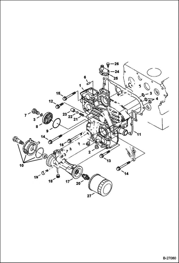
GEARCASE (S/N E/ 9FZ999 & Below)
№
Артикул
Название
Примечание
Количество
1
6698263
HOUSING, GEAR FRT W/Ref. 2
2
6672360
PLUG
3
6685466
O-RING
4
6685467
5
6685468
6
3974395
PIN straight
7
6684768
BOLT
8
6684766
COVER
9
6684769
10
OIL COOLER See Illustration OIL COOLER/ B27089
11
6684770
GASKET gear case
12
6680706
13
6692375
14
6692377
15
6680686
16
6692376
17
6684773
BASE, FILTER
18
19
6960963
20
6653809
CONNECTOR oil filter
21
6652652
SPRING
22
10J13
BALL Was 6969574 - A
23
3974893
SEAT valve
24
3974894
FLANGE water return
25
6666803
GASKET water return flange
26
1CM620
BOLT Was 4CM620 - A
27
6675517
FILTER, OIL ENG 12
Выбрано товаров: 0