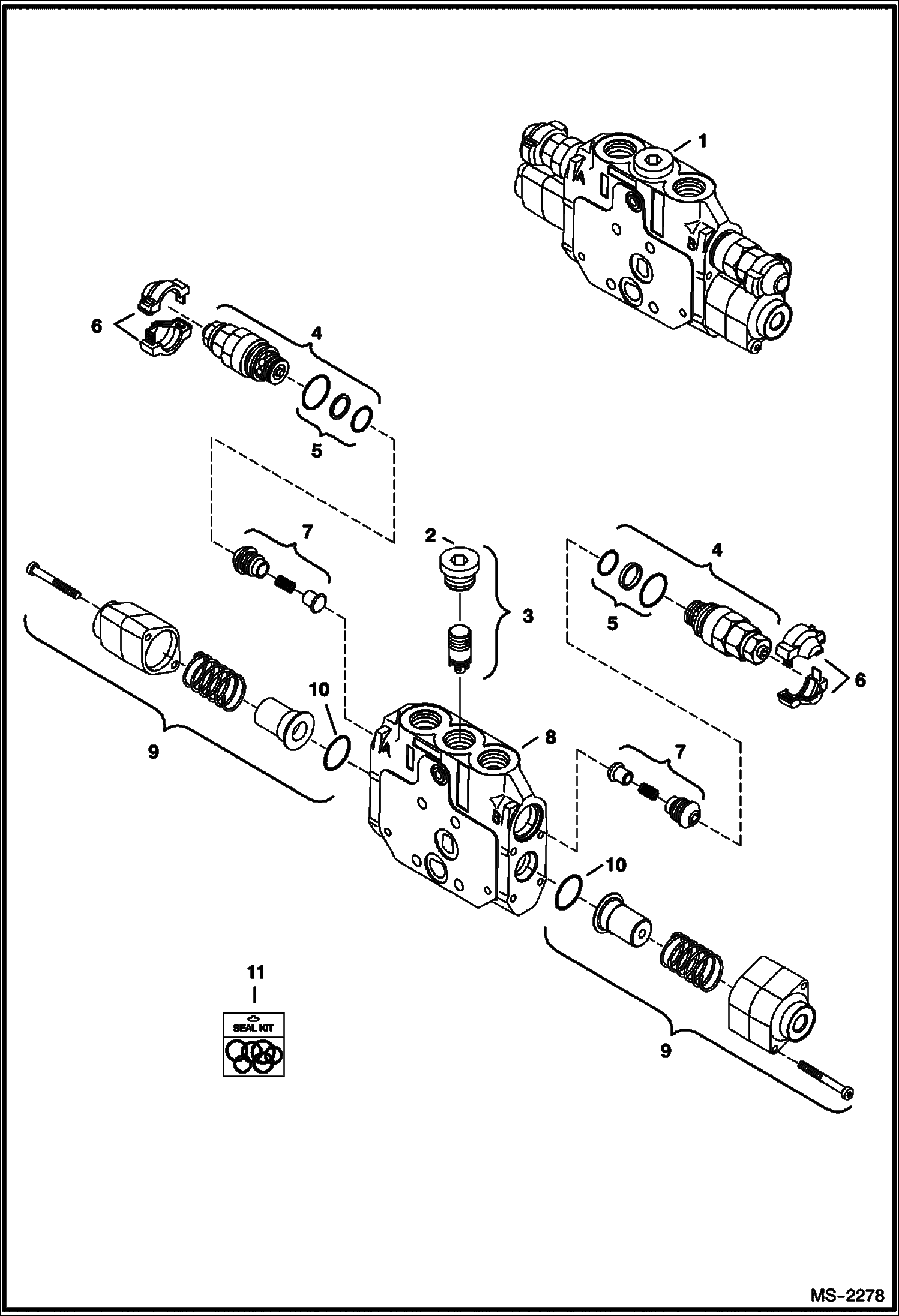
Запчасти Bobcat 435 CONTROL VALVE (Bucket Section) HYDRAULIC/HYDROSTATIC SYSTEM

Схема запчастей Bobcat 435 - CONTROL VALVE (Bucket Section) HYDRAULIC/HYDROSTATIC SYSTEM
FIT
1:1
100%

Артикул

Название

Примечание

Количество

1

6686638

VALVE bucket

2

6685248

PLUG

3

6677690

KIT, COMPENSATOR

4

6685249

VALVE,RELIEF

5

6677468

SEAL KIT

6

6687072

KIT

7

6677689

CHECK VALVE check valve - Was 6686595 - A

8

BLOCK NSS - Order Ref. 1

9

6677699

ACTUATOR

10

O-RING NSS - Order Ref. 11

11

6677470

SEAL KIT

Выбрано товаров: 11